[Sammelthread] STAX Amps von Andreas Rauenbühler
- kds315
- Mitglied
- Beiträge: 3564
- Registriert: Di 28. Jul 2020, 13:26
- Has thanked: 675 times
- Been thanked: 506 times
Re: [Sammelthread] STAX Amps von Andreas Rauenbühler
Das entspricht genau meiner Erwartung!
Höre mit verschiedenen STAX KH + Verstärkern für STAX
> Alles was ich hier poste stellt meine persönliche Erfahrung dar und
ist nicht als Werbung für ein Produkt oder Hersteller zu verstehen <
> Alles was ich hier poste stellt meine persönliche Erfahrung dar und
ist nicht als Werbung für ein Produkt oder Hersteller zu verstehen <
- FuLong
- Mitglied
- Beiträge: 296
- Registriert: Di 15. Nov 2022, 19:18
- Has thanked: 90 times
- Been thanked: 109 times
Re: [Sammelthread] STAX Amps von Andreas Rauenbühler
War mit Herrn Rauenbühler in Kontakt, mein damals gebrauchter und von V8 auf v9.5 hochgerüstete Alpha Centauri macht sich die Tage auf den Weg zur Push-Pull Aufrüstung.
Und ich hab noch eine wunderbare Alibiargumentation gefunden - Energiesparen, statt über 80 Watt braucht das Ding dann nur noch 55 Watt
Und ich hab noch eine wunderbare Alibiargumentation gefunden - Energiesparen, statt über 80 Watt braucht das Ding dann nur noch 55 Watt

OS X is like a wigwam: no windows, no gates and an apache inside !
Wenn schon vier Zylinder dann aber verteilt auf zwei Motorräder
Wenn schon vier Zylinder dann aber verteilt auf zwei Motorräder
- FuLong
- Mitglied
- Beiträge: 296
- Registriert: Di 15. Nov 2022, 19:18
- Has thanked: 90 times
- Been thanked: 109 times
Re: [Sammelthread] STAX Amps von Andreas Rauenbühler
Ich möchte zu meinem ersten Beitrag > viewtopic.php?p=36541#p36541 zum AC noch was ergänzen.
Der AC war über das Wochenende bei Herrn Rauenbühler zur Aufrüstung, ich habe jetzt einen Alpha Centauri v9.5 Push-Pull.
Ich möchte nicht im Geringsten behaupten, dass der AC bisher nicht Herr der Lage war, aber nach der Aufrüstung stelle ich fest, dass es schon noch a bisserl entspannter/lockerer geht. Und es geht auch noch etwas weiter in die Tiefe. Gleich nach dem Auspacken die Neuerscheinung von Andreas Vollenweider - Live at Rockpalast 1982 gehört und die Basseiten der Harfe scheinen noch länger und kontrollierter geworden zu sein. Der Gegencheck mit "Stella" vom Album Comopoly bestätigt den Eindruck. Dann ein paar bekannte Sachen von Yello, die einen erweiterten Bassbereich bestätigen.
Dann noch den 2018er Remix vom Pink Floyd Album Animals, da ist beim Stück "Pigs (Three Different Ones)" ab 6:10 im Hintergrund eine Bassline, die war vorher zu erahnen, so ganz diffus wabernd, die ist jetzt richtig da, zwar nicht so wie es der DT 1990 Pro oder der Amiron Home können, aber dafür dass es heißt, dass die Lambdas keinen Bass können gefällt mir das sehr gut.
Und, er wird lange nicht so heiß wie vorher, ich muss also im Winter dann doch öfter die Heizung einschalten.
Wenn ich also vorher mit dem AC auf Wolke 7 war, ist das jetzt der Upgrade auf Nr. 8
Der AC war über das Wochenende bei Herrn Rauenbühler zur Aufrüstung, ich habe jetzt einen Alpha Centauri v9.5 Push-Pull.
Ich möchte nicht im Geringsten behaupten, dass der AC bisher nicht Herr der Lage war, aber nach der Aufrüstung stelle ich fest, dass es schon noch a bisserl entspannter/lockerer geht. Und es geht auch noch etwas weiter in die Tiefe. Gleich nach dem Auspacken die Neuerscheinung von Andreas Vollenweider - Live at Rockpalast 1982 gehört und die Basseiten der Harfe scheinen noch länger und kontrollierter geworden zu sein. Der Gegencheck mit "Stella" vom Album Comopoly bestätigt den Eindruck. Dann ein paar bekannte Sachen von Yello, die einen erweiterten Bassbereich bestätigen.
Dann noch den 2018er Remix vom Pink Floyd Album Animals, da ist beim Stück "Pigs (Three Different Ones)" ab 6:10 im Hintergrund eine Bassline, die war vorher zu erahnen, so ganz diffus wabernd, die ist jetzt richtig da, zwar nicht so wie es der DT 1990 Pro oder der Amiron Home können, aber dafür dass es heißt, dass die Lambdas keinen Bass können gefällt mir das sehr gut.
Und, er wird lange nicht so heiß wie vorher, ich muss also im Winter dann doch öfter die Heizung einschalten.
Wenn ich also vorher mit dem AC auf Wolke 7 war, ist das jetzt der Upgrade auf Nr. 8

OS X is like a wigwam: no windows, no gates and an apache inside !
Wenn schon vier Zylinder dann aber verteilt auf zwei Motorräder
Wenn schon vier Zylinder dann aber verteilt auf zwei Motorräder
- kds315
- Mitglied
- Beiträge: 3564
- Registriert: Di 28. Jul 2020, 13:26
- Has thanked: 675 times
- Been thanked: 506 times
Re: [Sammelthread] STAX Amps von Andreas Rauenbühler
Mein SRPP-ANTARES hat kein Problem diesen Bass darzustellen.
Höre mit verschiedenen STAX KH + Verstärkern für STAX
> Alles was ich hier poste stellt meine persönliche Erfahrung dar und
ist nicht als Werbung für ein Produkt oder Hersteller zu verstehen <
> Alles was ich hier poste stellt meine persönliche Erfahrung dar und
ist nicht als Werbung für ein Produkt oder Hersteller zu verstehen <
- FuLong
- Mitglied
- Beiträge: 296
- Registriert: Di 15. Nov 2022, 19:18
- Has thanked: 90 times
- Been thanked: 109 times
Re: [Sammelthread] STAX Amps von Andreas Rauenbühler
Ich denke in deinem Fall gibt das letzte Glied der Kette mehr her als mein L700.
Übrigens war die Basslinie mit dem Sirrah ich glaube nur eingebildet etwas schwächer als mit dem AC vor der Aufrüstung.
Übrigens war die Basslinie mit dem Sirrah ich glaube nur eingebildet etwas schwächer als mit dem AC vor der Aufrüstung.
OS X is like a wigwam: no windows, no gates and an apache inside !
Wenn schon vier Zylinder dann aber verteilt auf zwei Motorräder
Wenn schon vier Zylinder dann aber verteilt auf zwei Motorräder
Re: [Sammelthread] STAX Amps von Andreas Rauenbühler
Ich kann mit meinem AC PP ebenfalls nicht klagen. Der Bass ist druckvoll und stimmig. Habe nicht das Gefühl daß da etwas fehlt.
- kds315
- Mitglied
- Beiträge: 3564
- Registriert: Di 28. Jul 2020, 13:26
- Has thanked: 675 times
- Been thanked: 506 times
Re: [Sammelthread] STAX Amps von Andreas Rauenbühler
Stimmt schon, ging gut mit 009 und X9000

Höre mit verschiedenen STAX KH + Verstärkern für STAX
> Alles was ich hier poste stellt meine persönliche Erfahrung dar und
ist nicht als Werbung für ein Produkt oder Hersteller zu verstehen <
> Alles was ich hier poste stellt meine persönliche Erfahrung dar und
ist nicht als Werbung für ein Produkt oder Hersteller zu verstehen <
- Daiyama
- Mitglied
- Beiträge: 2564
- Registriert: Fr 11. Aug 2017, 10:30
- Has thanked: 559 times
- Been thanked: 252 times
Re: [Sammelthread] STAX Amps von Andreas Rauenbühler
und der SR009 ist auf Harman korrigiert, das bringt Basslinien deutlich hervor. 

Roon+HQP|Holo Audio Cyan 2|Violectric HPA V550, Cayin HA-3A, High-Amp Antares V2-SRPP|DCA E3, Erzetich Charybdis, ZMF AC, Meze Empyrean II, Focal Clear, Stax: SR-009
Roon ARC|Cayin RU7, Audirect Team1|UM Mest MK2, Yanyin Moonlight, Sennheiser IE600
Roon ARC|Cayin RU7, Audirect Team1|UM Mest MK2, Yanyin Moonlight, Sennheiser IE600
-
- Mitglied
- Beiträge: 17
- Registriert: Sa 26. Okt 2024, 11:03
- Has thanked: 25 times
- Been thanked: 12 times
Re: [Sammelthread] STAX Amps von Andreas Rauenbühler
Anm. d. Mod.: Dieser Beitrag wurde hier abgetrennt viewtopic.php?p=43725#p43725

Bevor ich über einen Umbau nachdenke, werde ich auch andere Röhren versuchen. Was machen die NOS Röhren anders/besser? Früher hatte ich einiges mit Röhrenverstärkern zu tun - 45, 2A3, 300B, 845, EL84, 6SN7. Besonders bei der 45 und 2A3 waren durchaus schöne Erfahrungen dabei. Aus der Erinnerung würde ich sagen, dass ein gewisses Etwas ins Klangbild einzog, ohne dass ich das genau beschreiben könnte. Vielleicht der Vergleich wenn man sich auf dem Sofa eine Decke überwirft und es wohlig wird...
Zu SRPP: was passiert da konkret? Ich habe natürlich fast den ganzen Rauenbühler Thread gelesen und da tauchte Dein SRPP-Antares immer wieder auf.
In diesem Fall ist Schuld sehr positiv konotiertkds315 hat geschrieben: ↑So 27. Okt 2024, 15:40 Nun als “Schuldiger” zum Thema ANTARES kann ich mich gerne zu Wort melden Alex! Freut mich dass der dir zusagt; ev würden dem ein Paar NOS GE Röhren gut tun - oder gleich ein upgrade auf SRPP durch Joachim.
Aber erst mal zu deiner Frage was nach dem 404 Lambda kommen könnte. Nun der SR-009 Omega natürlich, ist aber ein analytischer KH, ganz anders als der recht dunkle 007. Ich mag den 009 sehr, wollte den erst verkaufen nach dem Erwerb des X9000, behalte den aber doch lieber als backup.

Bevor ich über einen Umbau nachdenke, werde ich auch andere Röhren versuchen. Was machen die NOS Röhren anders/besser? Früher hatte ich einiges mit Röhrenverstärkern zu tun - 45, 2A3, 300B, 845, EL84, 6SN7. Besonders bei der 45 und 2A3 waren durchaus schöne Erfahrungen dabei. Aus der Erinnerung würde ich sagen, dass ein gewisses Etwas ins Klangbild einzog, ohne dass ich das genau beschreiben könnte. Vielleicht der Vergleich wenn man sich auf dem Sofa eine Decke überwirft und es wohlig wird...

Zu SRPP: was passiert da konkret? Ich habe natürlich fast den ganzen Rauenbühler Thread gelesen und da tauchte Dein SRPP-Antares immer wieder auf.
- kds315
- Mitglied
- Beiträge: 3564
- Registriert: Di 28. Jul 2020, 13:26
- Has thanked: 675 times
- Been thanked: 506 times
Re: [Sammelthread] STAX Amps von Andreas Rauenbühler
Nun Tubeampdoctor in Worms hat (zumindest hatte) New Old Stock (NOS) 6SN7GTB von General Electric (GE) die klangen - wie ein Bekannter ausdrückte - “alter Whisky”. Und ja die klingen fein, haben ihren Preis und benötigen einen erneuten Abgleich.
SRPP ist eine Push-Pull Schaltung mit Röhren also baut Joachim zwei weitere 6SN7GTB ein mit zusätzlicher Stromversorgung für die Heizspannung und das ganze klingt, wie soll ich sagen, klarer, dynamischer, druckvoller. Bereute das nicht, kostet so um 350 und alle die das nutzen sind wie ich überzeugt davon. Allerdings war das bevor Andreas seine PP-Schaltung erfunden hat.
SRPP ist eine Push-Pull Schaltung mit Röhren also baut Joachim zwei weitere 6SN7GTB ein mit zusätzlicher Stromversorgung für die Heizspannung und das ganze klingt, wie soll ich sagen, klarer, dynamischer, druckvoller. Bereute das nicht, kostet so um 350 und alle die das nutzen sind wie ich überzeugt davon. Allerdings war das bevor Andreas seine PP-Schaltung erfunden hat.
Höre mit verschiedenen STAX KH + Verstärkern für STAX
> Alles was ich hier poste stellt meine persönliche Erfahrung dar und
ist nicht als Werbung für ein Produkt oder Hersteller zu verstehen <
> Alles was ich hier poste stellt meine persönliche Erfahrung dar und
ist nicht als Werbung für ein Produkt oder Hersteller zu verstehen <
-
- Mitglied
- Beiträge: 316
- Registriert: Mi 1. Aug 2018, 18:49
- Has thanked: 1 time
- Been thanked: 67 times
Re: [Sammelthread] STAX Amps von Andreas Rauenbühler
Intimität.Aus der Erinnerung würde ich sagen, dass ein gewisses Etwas ins Klangbild einzog, ohne dass ich das genau beschreiben könnte.
"Music is easy to miss for the listener who thinks his job is to concentrate on the sound."
-
- Mitglied
- Beiträge: 17
- Registriert: Sa 26. Okt 2024, 11:03
- Has thanked: 25 times
- Been thanked: 12 times
Re: [Sammelthread] STAX Amps von Andreas Rauenbühler
Danke, Klaus!kds315 hat geschrieben: ↑So 27. Okt 2024, 19:22 Nun Tubeampdoctor in Worms hat (zumindest hatte) New Old Stock (NOS) 6SN7GTB von General Electric (GE) die klangen - wie ein Bekannter ausdrückte - “alter Whisky”. Und ja die klingen fein, haben ihren Preis und benötigen einen erneuten Abgleich.
SRPP ist eine Push-Pull Schaltung mit Röhren also baut Joachim zwei weitere 6SN7GTB ein mit zusätzlicher Stromversorgung für die Heizspannung und das ganze klingt, wie soll ich sagen, klarer, dynamischer, druckvoller. Bereute das nicht, kostet so um 350 und alle die das nutzen sind wie ich überzeugt davon. Allerdings war das bevor Andreas seine PP-Schaltung erfunden hat.
Konntest Du denn mal einen Push-Pull-Antares mit Deinem SRPP vergleichen?
Viele Grüße,
Alex
- kds315
- Mitglied
- Beiträge: 3564
- Registriert: Di 28. Jul 2020, 13:26
- Has thanked: 675 times
- Been thanked: 506 times
Re: [Sammelthread] STAX Amps von Andreas Rauenbühler
Ja, die erste Version davon, die war nicht so dolle, hat er aber dann wohl verbessert. Mir gefällt SRPP mit Röhren besser als PP mit Halbleitern - mag aber Geschmackssache sein…
Höre mit verschiedenen STAX KH + Verstärkern für STAX
> Alles was ich hier poste stellt meine persönliche Erfahrung dar und
ist nicht als Werbung für ein Produkt oder Hersteller zu verstehen <
> Alles was ich hier poste stellt meine persönliche Erfahrung dar und
ist nicht als Werbung für ein Produkt oder Hersteller zu verstehen <
- BadPritt
- Moderator
- Beiträge: 517
- Registriert: Di 28. Nov 2017, 16:02
- Wohnort: Bochum
- Has thanked: 19 times
- Been thanked: 155 times
Re: [Sammelthread] STAX Amps von Andreas Rauenbühler
Ich habe die Beträge zur Anpassung der Stax-Hörer an die Harmann-Kurve einmal in ein neues Thema ausgelagert. Bitte bei Interesse die Diskussion zur Klanganpassung der Staxi's mittels Software dort fortsetzen. Danke! ==> viewtopic.php?t=1830
- kds315
- Mitglied
- Beiträge: 3564
- Registriert: Di 28. Jul 2020, 13:26
- Has thanked: 675 times
- Been thanked: 506 times
Re: [Sammelthread] STAX Amps von Andreas Rauenbühler
Eine interessante Meinung von A. Rauenbühler zu seinen Amps vs KH:
(quote) For the X9000 the Polaris would be the best match, for 007MKI and 009 Sirius and Alpha Centauri.
Sirius has a stronger bass, Alpha Centauri has a warmer sound and sounds a bit clearer.(unquote)
Persönlich verstehe ich die Meinungen (u.a. head-fi) nicht, dass der X9000 solch starke Verstärker benötigt!
Ausser das ist "matching" auf Preisklasse Niveau - teuerster Amp passend zum teuersten KH
(quote) For the X9000 the Polaris would be the best match, for 007MKI and 009 Sirius and Alpha Centauri.
Sirius has a stronger bass, Alpha Centauri has a warmer sound and sounds a bit clearer.(unquote)
Persönlich verstehe ich die Meinungen (u.a. head-fi) nicht, dass der X9000 solch starke Verstärker benötigt!
Ausser das ist "matching" auf Preisklasse Niveau - teuerster Amp passend zum teuersten KH

Höre mit verschiedenen STAX KH + Verstärkern für STAX
> Alles was ich hier poste stellt meine persönliche Erfahrung dar und
ist nicht als Werbung für ein Produkt oder Hersteller zu verstehen <
> Alles was ich hier poste stellt meine persönliche Erfahrung dar und
ist nicht als Werbung für ein Produkt oder Hersteller zu verstehen <
- kds315
- Mitglied
- Beiträge: 3564
- Registriert: Di 28. Jul 2020, 13:26
- Has thanked: 675 times
- Been thanked: 506 times
Re: [Sammelthread] STAX Amps von Andreas Rauenbühler
Meinungen zu Rauenbühler Verstärkern auf head-fi - recht interessant zu lesen!
https://www.head-fi.org/threads/the-sta ... t-18511243
https://www.head-fi.org/threads/the-sta ... t-18511243
Höre mit verschiedenen STAX KH + Verstärkern für STAX
> Alles was ich hier poste stellt meine persönliche Erfahrung dar und
ist nicht als Werbung für ein Produkt oder Hersteller zu verstehen <
> Alles was ich hier poste stellt meine persönliche Erfahrung dar und
ist nicht als Werbung für ein Produkt oder Hersteller zu verstehen <
- Thomsen
- Mitglied
- Beiträge: 362
- Registriert: Di 24. Mai 2022, 22:32
- Has thanked: 117 times
- Been thanked: 132 times
Re: [Sammelthread] STAX Amps von Andreas Rauenbühler
Naja, so interessant ist es auch nicht. Deine und meine Meinung (ein Beitrag vor deinem Link) zum Polaris kennen wir doch ;-)


- kds315
- Mitglied
- Beiträge: 3564
- Registriert: Di 28. Jul 2020, 13:26
- Has thanked: 675 times
- Been thanked: 506 times
Re: [Sammelthread] STAX Amps von Andreas Rauenbühler
Thomas, ich meinte damit die “Kritik” an den $$$$ Amps und die Hinweise auf deutlich günstigere und gute Amps für STAX-KH!
Höre mit verschiedenen STAX KH + Verstärkern für STAX
> Alles was ich hier poste stellt meine persönliche Erfahrung dar und
ist nicht als Werbung für ein Produkt oder Hersteller zu verstehen <
> Alles was ich hier poste stellt meine persönliche Erfahrung dar und
ist nicht als Werbung für ein Produkt oder Hersteller zu verstehen <
- nonaim
- Mitglied
- Beiträge: 120
- Registriert: Mi 17. Feb 2021, 10:12
- Has thanked: 67 times
- Been thanked: 24 times
Re: [Sammelthread] STAX Amps von Andreas Rauenbühler
Moin
Wie fängt man an ???
Nun, eigentlich hatte ich schon 2021/22 jede Menge Kopfhörer Zeugs gekauft, kann an alles im Prof X nachlesen. Stax hatte ich schon immer auf dem Schirm, jedoch nie so wirklich umgesetzt. Immer ist eine andere nette Geschichte im High End Bereich irgendwie wichtiger gewesen . Verstärker, Plattenspieler, Lautsprecher, Kabel usw. Egal, wie gesagt hatte ich 2021/22 das Thema Kopfhörer und die damit verbundenen Verstärker und Zubehör auf dem Schirm. Corona hatte ja einen auch irgendwie fest im Griff. Nun denn , ich habe einiges und vieles probiert , Luminare, Corda Soul, Stax, Focal
Kann man gut nach lesen hier
https://www.prof-x.de/forum/viewtopic.p ... 986#p24986
Auch hatte ich mir einige KH noch zugelegt ….ich wollte es zu Haue selber mal hören, vergleichen und entscheiden.
Die Liste wurde immer länger
Stax Lambda Pro, Signature, Nova Basic, SR-404 Limited, L500 Mk2
Hifi Man Ananda
Kaldas RR1
HeddPhone
Aeon 2 Noire
Grado GH2
Meze Empyrean
AudioQuest Nightowl.
Aber leider ist meine Gesundheit in der Coronazeit immer schlechter geworden, hatte zwar jetzt nicht direkt was mit Corona zu tun gehabt … jedoch Herzprobleme und Bandscheiben Erneuern im HWS Bereich wenn alle vermummt sind und die OP selber …kein Zuckerschlecken. Nun denn dadurch war lange Zeit erst mal nix mit Kopfhörer hören und ich habe ausgedünnt. Lange Rede kurzer Sinn, geblieben ist nur Stax, Grado und der Focal. Den Rest habe ich alles wieder verbimmelt .
Die Zeit verging und durch Corona hatten wir zu 100% Home Office, auch jetzt und da ich körperlich schlapp war, haben wir uns einen Hund aus dem Tierschutz gekauft …..Herzallerliebst, saß schon Tötungs Station gerade mal 2 Jahre alt …nun denn, zack war er hier und nach 1 Jahr ging es mir besser …weil jeden Tag raus …super. Das war 2022 und 2023 haben wir noch ne Kleine aus Portugal geholt die es als Welpe nicht leicht hatte.
Das Leben veränderte sich, die Prioritäten auch. Ich hörte wieder mehr Kopfhörer, HWS hielt wieder :-) Herz stolpern nach der 2ten Corona Infektion mehr ….da bin ich immer noch dran.
Grado GS1000 immer noch klasse …..aber meine Staxe standen nur rum … ich habe nur den Lambda Pro & Signature, Kaldas RR1 an E-Hörern behalten.
Erst jetzt, November 2024 fing ich auch hier wieder mehr an zu lesen und habe alles von Stax gelesen was da war und das war nicht wenig .
Ich hatte jetzt an Verstärkern für Stax nur noch nen ollen SRM-1/MK2 und einen SRD-X Pro, dieser ist gerade beim Dominik zur Überholung.
Ich habe gelesen und gelesen, dann bin ich an den Rauenbühler hängen geblieben. Fand ich alles sehr spannend und ich machte Nägel mit Köppe….Andreas angeschrieben und einen Antares bestellt. Ist innerhalb von 2 Tagen hier gewesen, ausgepackt und …. Hmmmm…der muss sich erst mal „einbrennen“ paar Tage .
Ich habe den Antares dann 5 Tage ununterbrochen am Netz und Höre fast den ganzen Tag, Musik mit dem Antares. Abwechselnd sind Stax Lamba Signatur und Lamda Pro und seit 3 Tage der Stax Lamda 507 angeschlossen. Den ersten Tag klang alles noch sehr „eingeengt „ „kalt“ „spitz“. Ich habe den Antares dann im Büro am Lyngdorf 1120 angeschlossen und den Kaldas Research RR1 Conquest gesteckt.Dort erst mal 2 Tage Dauerfeuer.
Nun ….danach …..Frei,Spielfreude pur und der wird immer besser. Ich höre überwiegend Jazz und die Klangfarbenpracht die mir hier in das Ohr kommt ….Herlich. Da ich nur diese 3 alten Stax KH habe, kann ich nun nicht sagen was die neuen modernen Staxe hier so bringen, aber ich muss sagen, nachdem ich meine Staxe alle überholt habe ….auch der 507 musste ran, habe ich gar kein Verlangen, noch nicht ;-)
Der Antares spielte immer besser, für mich war es das, dachte ich. Ein kleiner Teufel Namens Klaus saß mir im Ohr und ich konnte beim lesen im Prof X die Worte Electra lesen. Andreas mal gefragt wie der im Vergleich so spielt und zack hatte ich nach kurzer Zeit einen hier. Vergleiche und mach Dir selber ein Bild, schrieb Andreas …..nun denn, genau das finde ich schon mal sehr bemerkenswert, großes Lob von mir.
Tja ..da saß ich nun und stöpselte hin und her, hier mal ein Auszug was ich mir so vermerkt habe.
der Antares klingt sehr „farbenfroh“ warm, nichts ist nervig oder spitz. Auch der Bass hat Bumms, ein wenig weicher zwar, aber genug Druck. Die Mitten sind klasse, Stimmen ein Träumchen. Typisch Röhre. Antares ist ein in sich sehr stimmiger Verstärker, der für sich genommen und auch oder gerade von Preis/Leistung sehr sehr schwer zu schlagen ist. Gerade für kleine Jazz Geschichten, Frauenstimmen wie Billie Holiday …Herrlich
Antares ….ein feines Teil und das es noch andere KHV von Andreas Rauenbühler für Staxe gibt , ist schon fast sträflich
und
….der Electra ist mehr schon ne
Lupe. Er spielt alles sauber heraus, filtert die ganzen Töne und übergibt sie dem Stax KH in sauberster Reinheit. Bass satt, mit Punch und Kraft , die Höhen mit Strahlkraft und Klarheit ohne jemals zu nerven und auch die Mitten sind seidig haben aber auch da genug an Kraft und Spannung. Auch das ist ein absolut klasse KHV für Stax KH. Ich will gar nicht erst wissen wie einer von den großen klingt, ich kann es mir schon vorstellen .
Aber ich will nur einen behalten und am Ende soll es der Antares sein, mir gefällt Röhre persönlich einfach besser. Upps….es gibt ja noch den AC ;-) aber schön langsam.
Ich muss sagen , hätte ich früher diese Verstärker gesehen und vor allem gehört, hätte ich mir einige Käufe sparen können . Nun werde ich den Electra wieder gut verpacken und zurück schicken, ich weine ihm schon ein oder zwei Tränen nach ……..
Das war’s erst mal und sorry wurde was länger . Ein großes Lob muss ich auch Euch Jungs hier geben, denn Eure Erfahrungen sind Gold wert

Gruß
Frank
Wie fängt man an ???
Nun, eigentlich hatte ich schon 2021/22 jede Menge Kopfhörer Zeugs gekauft, kann an alles im Prof X nachlesen. Stax hatte ich schon immer auf dem Schirm, jedoch nie so wirklich umgesetzt. Immer ist eine andere nette Geschichte im High End Bereich irgendwie wichtiger gewesen . Verstärker, Plattenspieler, Lautsprecher, Kabel usw. Egal, wie gesagt hatte ich 2021/22 das Thema Kopfhörer und die damit verbundenen Verstärker und Zubehör auf dem Schirm. Corona hatte ja einen auch irgendwie fest im Griff. Nun denn , ich habe einiges und vieles probiert , Luminare, Corda Soul, Stax, Focal
Kann man gut nach lesen hier
https://www.prof-x.de/forum/viewtopic.p ... 986#p24986
Auch hatte ich mir einige KH noch zugelegt ….ich wollte es zu Haue selber mal hören, vergleichen und entscheiden.
Die Liste wurde immer länger
Stax Lambda Pro, Signature, Nova Basic, SR-404 Limited, L500 Mk2
Hifi Man Ananda
Kaldas RR1
HeddPhone
Aeon 2 Noire
Grado GH2
Meze Empyrean
AudioQuest Nightowl.
Aber leider ist meine Gesundheit in der Coronazeit immer schlechter geworden, hatte zwar jetzt nicht direkt was mit Corona zu tun gehabt … jedoch Herzprobleme und Bandscheiben Erneuern im HWS Bereich wenn alle vermummt sind und die OP selber …kein Zuckerschlecken. Nun denn dadurch war lange Zeit erst mal nix mit Kopfhörer hören und ich habe ausgedünnt. Lange Rede kurzer Sinn, geblieben ist nur Stax, Grado und der Focal. Den Rest habe ich alles wieder verbimmelt .
Die Zeit verging und durch Corona hatten wir zu 100% Home Office, auch jetzt und da ich körperlich schlapp war, haben wir uns einen Hund aus dem Tierschutz gekauft …..Herzallerliebst, saß schon Tötungs Station gerade mal 2 Jahre alt …nun denn, zack war er hier und nach 1 Jahr ging es mir besser …weil jeden Tag raus …super. Das war 2022 und 2023 haben wir noch ne Kleine aus Portugal geholt die es als Welpe nicht leicht hatte.
Das Leben veränderte sich, die Prioritäten auch. Ich hörte wieder mehr Kopfhörer, HWS hielt wieder :-) Herz stolpern nach der 2ten Corona Infektion mehr ….da bin ich immer noch dran.
Grado GS1000 immer noch klasse …..aber meine Staxe standen nur rum … ich habe nur den Lambda Pro & Signature, Kaldas RR1 an E-Hörern behalten.
Erst jetzt, November 2024 fing ich auch hier wieder mehr an zu lesen und habe alles von Stax gelesen was da war und das war nicht wenig .
Ich hatte jetzt an Verstärkern für Stax nur noch nen ollen SRM-1/MK2 und einen SRD-X Pro, dieser ist gerade beim Dominik zur Überholung.
Ich habe gelesen und gelesen, dann bin ich an den Rauenbühler hängen geblieben. Fand ich alles sehr spannend und ich machte Nägel mit Köppe….Andreas angeschrieben und einen Antares bestellt. Ist innerhalb von 2 Tagen hier gewesen, ausgepackt und …. Hmmmm…der muss sich erst mal „einbrennen“ paar Tage .
Ich habe den Antares dann 5 Tage ununterbrochen am Netz und Höre fast den ganzen Tag, Musik mit dem Antares. Abwechselnd sind Stax Lamba Signatur und Lamda Pro und seit 3 Tage der Stax Lamda 507 angeschlossen. Den ersten Tag klang alles noch sehr „eingeengt „ „kalt“ „spitz“. Ich habe den Antares dann im Büro am Lyngdorf 1120 angeschlossen und den Kaldas Research RR1 Conquest gesteckt.Dort erst mal 2 Tage Dauerfeuer.
Nun ….danach …..Frei,Spielfreude pur und der wird immer besser. Ich höre überwiegend Jazz und die Klangfarbenpracht die mir hier in das Ohr kommt ….Herlich. Da ich nur diese 3 alten Stax KH habe, kann ich nun nicht sagen was die neuen modernen Staxe hier so bringen, aber ich muss sagen, nachdem ich meine Staxe alle überholt habe ….auch der 507 musste ran, habe ich gar kein Verlangen, noch nicht ;-)
Der Antares spielte immer besser, für mich war es das, dachte ich. Ein kleiner Teufel Namens Klaus saß mir im Ohr und ich konnte beim lesen im Prof X die Worte Electra lesen. Andreas mal gefragt wie der im Vergleich so spielt und zack hatte ich nach kurzer Zeit einen hier. Vergleiche und mach Dir selber ein Bild, schrieb Andreas …..nun denn, genau das finde ich schon mal sehr bemerkenswert, großes Lob von mir.
Tja ..da saß ich nun und stöpselte hin und her, hier mal ein Auszug was ich mir so vermerkt habe.
der Antares klingt sehr „farbenfroh“ warm, nichts ist nervig oder spitz. Auch der Bass hat Bumms, ein wenig weicher zwar, aber genug Druck. Die Mitten sind klasse, Stimmen ein Träumchen. Typisch Röhre. Antares ist ein in sich sehr stimmiger Verstärker, der für sich genommen und auch oder gerade von Preis/Leistung sehr sehr schwer zu schlagen ist. Gerade für kleine Jazz Geschichten, Frauenstimmen wie Billie Holiday …Herrlich
Antares ….ein feines Teil und das es noch andere KHV von Andreas Rauenbühler für Staxe gibt , ist schon fast sträflich
….der Electra ist mehr schon ne
Aber ich will nur einen behalten und am Ende soll es der Antares sein, mir gefällt Röhre persönlich einfach besser. Upps….es gibt ja noch den AC ;-) aber schön langsam.
Ich muss sagen , hätte ich früher diese Verstärker gesehen und vor allem gehört, hätte ich mir einige Käufe sparen können . Nun werde ich den Electra wieder gut verpacken und zurück schicken, ich weine ihm schon ein oder zwei Tränen nach ……..
Das war’s erst mal und sorry wurde was länger . Ein großes Lob muss ich auch Euch Jungs hier geben, denn Eure Erfahrungen sind Gold wert
Gruß
Frank
- kds315
- Mitglied
- Beiträge: 3564
- Registriert: Di 28. Jul 2020, 13:26
- Has thanked: 675 times
- Been thanked: 506 times
Re: [Sammelthread] STAX Amps von Andreas Rauenbühler
Klasse Frank, sehr detaillierter und emotionaler Bericht, so mag ich das!
Nun, jetzt weiss ich warum ich paar Tage warten muss auf den ELECTRA, der kommt dann nächste Woche zu mir, hatte einen bestellt (als backup)..
Wie du schon vermutest, AC, SIRIUS und besonders der POLARIS legen da noch ne Schippe drauf, muss man zahlen sowas (POLARIS kostet fast zwei ELECTRA) aber das ist kein Erdrutsch soundmässig.
Nun, jetzt weiss ich warum ich paar Tage warten muss auf den ELECTRA, der kommt dann nächste Woche zu mir, hatte einen bestellt (als backup)..

Wie du schon vermutest, AC, SIRIUS und besonders der POLARIS legen da noch ne Schippe drauf, muss man zahlen sowas (POLARIS kostet fast zwei ELECTRA) aber das ist kein Erdrutsch soundmässig.
Höre mit verschiedenen STAX KH + Verstärkern für STAX
> Alles was ich hier poste stellt meine persönliche Erfahrung dar und
ist nicht als Werbung für ein Produkt oder Hersteller zu verstehen <
> Alles was ich hier poste stellt meine persönliche Erfahrung dar und
ist nicht als Werbung für ein Produkt oder Hersteller zu verstehen <
- kds315
- Mitglied
- Beiträge: 3564
- Registriert: Di 28. Jul 2020, 13:26
- Has thanked: 675 times
- Been thanked: 506 times
Re: [Sammelthread] STAX Amps von Andreas Rauenbühler
Startet der eigenlich bein Einschalten mit XLR oder RCA?
Höre mit verschiedenen STAX KH + Verstärkern für STAX
> Alles was ich hier poste stellt meine persönliche Erfahrung dar und
ist nicht als Werbung für ein Produkt oder Hersteller zu verstehen <
> Alles was ich hier poste stellt meine persönliche Erfahrung dar und
ist nicht als Werbung für ein Produkt oder Hersteller zu verstehen <
- nonaim
- Mitglied
- Beiträge: 120
- Registriert: Mi 17. Feb 2021, 10:12
- Has thanked: 67 times
- Been thanked: 24 times
Re: [Sammelthread] STAX Amps von Andreas Rauenbühler
So, wie man es vorne am Drücker vorher eingestellt hat, ganz easy

Gruß
Frank
- kds315
- Mitglied
- Beiträge: 3564
- Registriert: Di 28. Jul 2020, 13:26
- Has thanked: 675 times
- Been thanked: 506 times
Re: [Sammelthread] STAX Amps von Andreas Rauenbühler
Stimmt, hab den jetzt hier laufen - SEHR nettes Teil wirklich!!
Höre mit verschiedenen STAX KH + Verstärkern für STAX
> Alles was ich hier poste stellt meine persönliche Erfahrung dar und
ist nicht als Werbung für ein Produkt oder Hersteller zu verstehen <
> Alles was ich hier poste stellt meine persönliche Erfahrung dar und
ist nicht als Werbung für ein Produkt oder Hersteller zu verstehen <
- kds315
- Mitglied
- Beiträge: 3564
- Registriert: Di 28. Jul 2020, 13:26
- Has thanked: 675 times
- Been thanked: 506 times
Re: [Sammelthread] STAX Amps von Andreas Rauenbühler
Nun, also was werde ich machen mit dem ELECTRA? Hmm, klingt gut, nicht so trocken wie ein reiner Transistor-Amp dank der eingesetzten (glaube ich) J-Fet's in der Endstufe. Ist der seinen Preis von EUR1.300 wert - Allemal!
Aber brauche ich den - nicht wirklich, ausser ich nähme den als backup zum ANTARES. Vermutlich wird er zurückgehen, aber sicher nicht der Funktion/Klang geschuldet - ich mag den ANTARES halt einfach mehr und der treibt alle STAX-KH welche ich hier habe an, inklusive des 007
Aber brauche ich den - nicht wirklich, ausser ich nähme den als backup zum ANTARES. Vermutlich wird er zurückgehen, aber sicher nicht der Funktion/Klang geschuldet - ich mag den ANTARES halt einfach mehr und der treibt alle STAX-KH welche ich hier habe an, inklusive des 007

Höre mit verschiedenen STAX KH + Verstärkern für STAX
> Alles was ich hier poste stellt meine persönliche Erfahrung dar und
ist nicht als Werbung für ein Produkt oder Hersteller zu verstehen <
> Alles was ich hier poste stellt meine persönliche Erfahrung dar und
ist nicht als Werbung für ein Produkt oder Hersteller zu verstehen <
- kds315
- Mitglied
- Beiträge: 3564
- Registriert: Di 28. Jul 2020, 13:26
- Has thanked: 675 times
- Been thanked: 506 times
Re: [Sammelthread] STAX Amps von Andreas Rauenbühler
Überraschung: Audio-Freund von mir machte mich gerade darauf aufmerksam dass der Alpha Centauri V11 nur zwei 6SN7GTB von Electro Harmonix besitzt. Die originale Schaltung zeigt allerdings pro Kanal zwei Röhren, wobei diese parallel geschaltet sind.
Hat jemand ne Ahnung wieso?
Innenansicht von Andreas' Seite:
Hat jemand ne Ahnung wieso?
Innenansicht von Andreas' Seite:
Höre mit verschiedenen STAX KH + Verstärkern für STAX
> Alles was ich hier poste stellt meine persönliche Erfahrung dar und
ist nicht als Werbung für ein Produkt oder Hersteller zu verstehen <
> Alles was ich hier poste stellt meine persönliche Erfahrung dar und
ist nicht als Werbung für ein Produkt oder Hersteller zu verstehen <
- kds315
- Mitglied
- Beiträge: 3564
- Registriert: Di 28. Jul 2020, 13:26
- Has thanked: 675 times
- Been thanked: 506 times
Re: [Sammelthread] STAX Amps von Andreas Rauenbühler
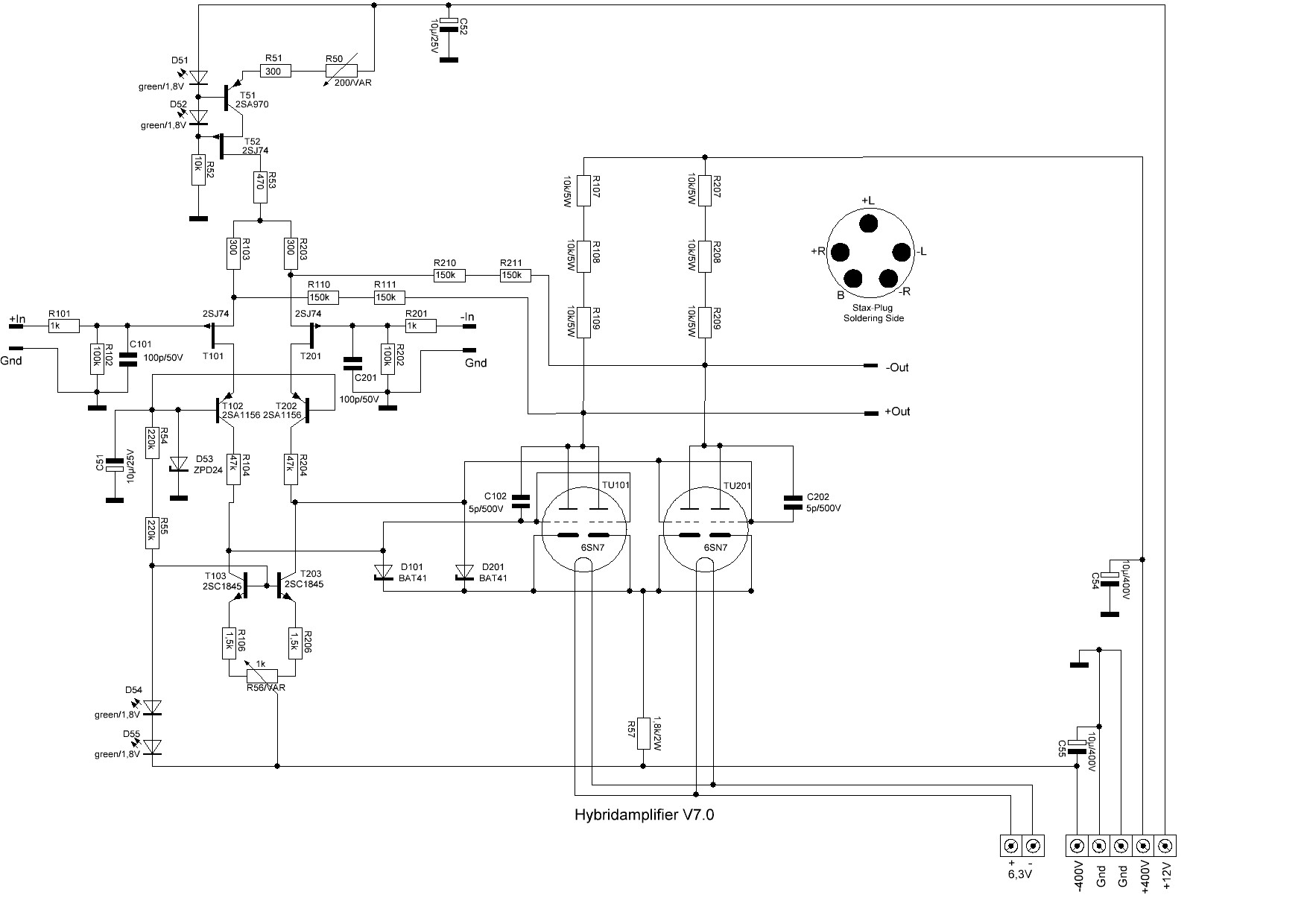
Die auf seiner Seite http://high-amp.de gezeigte Schaltung, V7
Und so sah der Alpha Centauri innen aus:
Und so sah der Alpha Centauri innen aus:
Höre mit verschiedenen STAX KH + Verstärkern für STAX
> Alles was ich hier poste stellt meine persönliche Erfahrung dar und
ist nicht als Werbung für ein Produkt oder Hersteller zu verstehen <
> Alles was ich hier poste stellt meine persönliche Erfahrung dar und
ist nicht als Werbung für ein Produkt oder Hersteller zu verstehen <
Re: [Sammelthread] STAX Amps von Andreas Rauenbühler
Stichwort Push-Pull. Da Push-Pull beliebig viel Strom liefern kann muß nicht mehr soviel Strom wie mit Anodenwiderständen vorgehalten werden, das reduziert die Leistung und dazu scheint eine Röhre dann auch auszureichen.
- FuLong
- Mitglied
- Beiträge: 296
- Registriert: Di 15. Nov 2022, 19:18
- Has thanked: 90 times
- Been thanked: 109 times
Re: [Sammelthread] STAX Amps von Andreas Rauenbühler
Zumindest wird mein AC nach der Umrüstung viel weniger warm als vorher.
Innen schaut der ganz anders aus als das obige Foto, kann ich heute Abend posten, wenn ich das vorhandene Bild kleiner machen kann.
Innen schaut der ganz anders aus als das obige Foto, kann ich heute Abend posten, wenn ich das vorhandene Bild kleiner machen kann.
OS X is like a wigwam: no windows, no gates and an apache inside !
Wenn schon vier Zylinder dann aber verteilt auf zwei Motorräder
Wenn schon vier Zylinder dann aber verteilt auf zwei Motorräder