Zweistufiger Netzfilter

Antworten
Benutzeravatar
kds315
Mitglied
Beiträge: 3890
Registriert: Di 28. Jul 2020, 13:26
Has thanked: 780 times
Been thanked: 593 times

Zweistufiger Netzfilter

Beitrag von kds315 »

Hier, ein wirklich gutes, zweistufiges Netzfilter EMDZ-801 das zusätzlich auch den Schutzleiter (PE) filtert was kaum sonst ein Filter macht!. Und hat Überspannungschutz eingebaut. Und das alles bezahlbar!

https://auth-nt.de/produkte/netzfilter/ ... 3/emdz-801

Dämpfung bis -80dB (!!)

Bild

Bekannter hat damit Störungen / Einstrahlungen eines benachtbarten Sendemastes wegbekommen.
Zuletzt geändert von kds315 am Mo 3. Jan 2022, 08:17, insgesamt 3-mal geändert.
ROON on INTEL i7 NUC ► HOLO RED / ROPIEEE ALLO SPDIF ► RME ADI-2 FS / CAYIN DAC11 / FIIO WARMER / TOPPING CENTAURUS ► PRIMARE PRE ► 12ma + 20mA SRPP-ANTARES ► X9000/SR-009/SR-007S/4070/LNS/404LE/404 Signature/Signature/Pro/Normal Bias/SR-003 MK2/ES-2a
Benutzeravatar
Staxi2017
Mitglied
Beiträge: 1481
Registriert: Mi 22. Nov 2017, 19:58
Has thanked: 174 times
Been thanked: 152 times

Re: Zweistufiger Netzfilter

Beitrag von Staxi2017 »

Sorry. für die Frage - aber warum hat das Teil nicht Stecker und Kupplung montiert - somit plug and play?
sr009, l700, hekv2, heks, clear, noireX, ie600, xm5, qc35
Benutzeravatar
kds315
Mitglied
Beiträge: 3890
Registriert: Di 28. Jul 2020, 13:26
Has thanked: 780 times
Been thanked: 593 times

Re: Zweistufiger Netzfilter

Beitrag von kds315 »

Hat es doch, kann man alles über Optionen auswählen bei Bestellung (“Kabelkonfektionierung”)

PS: die Filterwirkung ist um so besser je näher man an der Nennleistung des Filters ist, also NICHT überdimensionieren!! Das 801 kann zB. 250VA was normalerweise gut genug ist für Audiogeräte (ausser man hat grosse Amps für Lautsprecher)
ROON on INTEL i7 NUC ► HOLO RED / ROPIEEE ALLO SPDIF ► RME ADI-2 FS / CAYIN DAC11 / FIIO WARMER / TOPPING CENTAURUS ► PRIMARE PRE ► 12ma + 20mA SRPP-ANTARES ► X9000/SR-009/SR-007S/4070/LNS/404LE/404 Signature/Signature/Pro/Normal Bias/SR-003 MK2/ES-2a
Benutzeravatar
Staxi2017
Mitglied
Beiträge: 1481
Registriert: Mi 22. Nov 2017, 19:58
Has thanked: 174 times
Been thanked: 152 times

Re: Zweistufiger Netzfilter

Beitrag von Staxi2017 »

Ja stimmt - das haben sie aber gut versteckt.
sr009, l700, hekv2, heks, clear, noireX, ie600, xm5, qc35
Benutzeravatar
kds315
Mitglied
Beiträge: 3890
Registriert: Di 28. Jul 2020, 13:26
Has thanked: 780 times
Been thanked: 593 times

Re: Zweistufiger Netzfilter

Beitrag von kds315 »

Werde mir den wohl mal bestellen…
Hab ja eine “gute” Störquelle in meinem
Wechselstromnetz (Powerline) zum testen.

Hmm, ein Digitaloszi wäre schon schön zu
haben dafür.
ROON on INTEL i7 NUC ► HOLO RED / ROPIEEE ALLO SPDIF ► RME ADI-2 FS / CAYIN DAC11 / FIIO WARMER / TOPPING CENTAURUS ► PRIMARE PRE ► 12ma + 20mA SRPP-ANTARES ► X9000/SR-009/SR-007S/4070/LNS/404LE/404 Signature/Signature/Pro/Normal Bias/SR-003 MK2/ES-2a
Benutzeravatar
Hüb‘
Mitglied
Beiträge: 363
Registriert: Do 26. Dez 2019, 08:08
Been thanked: 1 time

Re: Zweistufiger Netzfilter

Beitrag von Hüb‘ »

Bei eBay-K. bietet jemand den mit High-End-Kabelzuleitungen an. Hier ein Bild des Inneren:
38711617-2DBB-4428-AFEF-077E509FA8CF.jpeg
38711617-2DBB-4428-AFEF-077E509FA8CF.jpeg (97.93 KiB) 10455 mal betrachtet
:bier:
Klassik-Besprechungen & Hinweise|Mein Zeugs | "it's hard to find your way through the darkness/ and it's hard to know what to believe/ but if you live by your heart and value the love you find/ then you have all you need" - H. W. M.
Benutzeravatar
kds315
Mitglied
Beiträge: 3890
Registriert: Di 28. Jul 2020, 13:26
Has thanked: 780 times
Been thanked: 593 times

Re: Zweistufiger Netzfilter

Beitrag von kds315 »

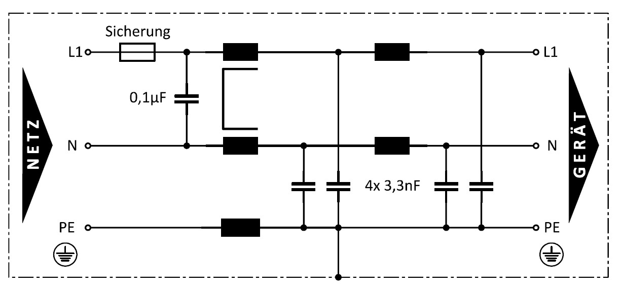
Interessant, danke. Sieht schaltungsmässig so aus lt Datenblatt (der Überspannungsableiter fehlt allerdings in der Schaltung):
.
AUTH EMDZ801 Schaltung.jpg
AUTH EMDZ801 Schaltung.jpg (69.81 KiB) 10388 mal betrachtet
E6BEDD8A-94F0-487B-A37A-ACFC5B8D4AD2.jpeg
E6BEDD8A-94F0-487B-A37A-ACFC5B8D4AD2.jpeg (127.99 KiB) 10391 mal betrachtet
ROON on INTEL i7 NUC ► HOLO RED / ROPIEEE ALLO SPDIF ► RME ADI-2 FS / CAYIN DAC11 / FIIO WARMER / TOPPING CENTAURUS ► PRIMARE PRE ► 12ma + 20mA SRPP-ANTARES ► X9000/SR-009/SR-007S/4070/LNS/404LE/404 Signature/Signature/Pro/Normal Bias/SR-003 MK2/ES-2a
Benutzeravatar
Staxi2017
Mitglied
Beiträge: 1481
Registriert: Mi 22. Nov 2017, 19:58
Has thanked: 174 times
Been thanked: 152 times

Re: Zweistufiger Netzfilter

Beitrag von Staxi2017 »

Ist die Schaltung die aktuellste - welche Revision?
Sehe leider keine Versionsnummer
sr009, l700, hekv2, heks, clear, noireX, ie600, xm5, qc35
Benutzeravatar
kds315
Mitglied
Beiträge: 3890
Registriert: Di 28. Jul 2020, 13:26
Has thanked: 780 times
Been thanked: 593 times

Re: Zweistufiger Netzfilter

Beitrag von kds315 »

Aus dem aktuellen Datenblatt entnommen
ROON on INTEL i7 NUC ► HOLO RED / ROPIEEE ALLO SPDIF ► RME ADI-2 FS / CAYIN DAC11 / FIIO WARMER / TOPPING CENTAURUS ► PRIMARE PRE ► 12ma + 20mA SRPP-ANTARES ► X9000/SR-009/SR-007S/4070/LNS/404LE/404 Signature/Signature/Pro/Normal Bias/SR-003 MK2/ES-2a
Benutzeravatar
Staxi2017
Mitglied
Beiträge: 1481
Registriert: Mi 22. Nov 2017, 19:58
Has thanked: 174 times
Been thanked: 152 times

Re: Zweistufiger Netzfilter

Beitrag von Staxi2017 »

Ohne Versionierung hat es für mich Bastelbudenimage - sorry
sr009, l700, hekv2, heks, clear, noireX, ie600, xm5, qc35
Eismann
Mitglied
Beiträge: 29
Registriert: Mo 22. Nov 2021, 20:54

Re: Zweistufiger Netzfilter

Beitrag von Eismann »

Nur weil in der Grafik die Version nicht zu sehen ist? :schrei:
Benutzeravatar
Staxi2017
Mitglied
Beiträge: 1481
Registriert: Mi 22. Nov 2017, 19:58
Has thanked: 174 times
Been thanked: 152 times

Re: Zweistufiger Netzfilter

Beitrag von Staxi2017 »

Sag mir die aktuelle Version
Kannst gerne ein richtiges Bild davon posten mit Versionsnummer.
Danke
sr009, l700, hekv2, heks, clear, noireX, ie600, xm5, qc35
Benutzeravatar
kds315
Mitglied
Beiträge: 3890
Registriert: Di 28. Jul 2020, 13:26
Has thanked: 780 times
Been thanked: 593 times

Re: Zweistufiger Netzfilter

Beitrag von kds315 »

EMDZ801 Serialk.jpg
EMDZ801 Serialk.jpg (39.03 KiB) 10206 mal betrachtet
.
EMDZ_30777bk.jpg
EMDZ_30777bk.jpg (99.11 KiB) 10199 mal betrachtet
.
Bin (mal wieder) echt erstaunt wie faul Leute sind (diese "feed me" Einstellung): mehrfach rummeckern anstatt einfach paar Sekunden Google anzuwerfen und hier was produktiv beizutragen; bin das echt satt so eine Einstellung. :wall:

PS: Und ja, die sind absichtlich etwas unscharf...
ROON on INTEL i7 NUC ► HOLO RED / ROPIEEE ALLO SPDIF ► RME ADI-2 FS / CAYIN DAC11 / FIIO WARMER / TOPPING CENTAURUS ► PRIMARE PRE ► 12ma + 20mA SRPP-ANTARES ► X9000/SR-009/SR-007S/4070/LNS/404LE/404 Signature/Signature/Pro/Normal Bias/SR-003 MK2/ES-2a
Benutzeravatar
Staxi2017
Mitglied
Beiträge: 1481
Registriert: Mi 22. Nov 2017, 19:58
Has thanked: 174 times
Been thanked: 152 times

Re: Zweistufiger Netzfilter

Beitrag von Staxi2017 »

Die Frage war eigentlich an Eismann gerichtet
sr009, l700, hekv2, heks, clear, noireX, ie600, xm5, qc35
Dayolaf
Mitglied
Beiträge: 695
Registriert: Di 9. Mär 2021, 19:31
Has thanked: 107 times
Been thanked: 77 times

Re: Zweistufiger Netzfilter

Beitrag von Dayolaf »

Viel spaß mit dem Gerät,bin auf deinen Eindruck gespannt ob es eine Besserung bringt.
Benutzeravatar
Firschi
Moderator
Moderator
Beiträge: 5938
Registriert: So 2. Okt 2016, 21:33
Wohnort: Freiburg
Has thanked: 47 times
Been thanked: 155 times
Kontaktdaten:

Re: Zweistufiger Netzfilter

Beitrag von Firschi »

Jetzt, da die Sache mit der Versionierung geklärt ist, können wir zum eigentlich Thema zurück kehren.
j!more
Mitglied
Beiträge: 1257
Registriert: Mo 10. Apr 2017, 18:56
Wohnort: Brunnthal
Has thanked: 114 times
Been thanked: 394 times

Re: Zweistufiger Netzfilter

Beitrag von j!more »

Mit Versionierung klingt es einfach runder, wie soll ich sagen: Analoger.

Spässle. Ich hatte vor Jahren so ein Filter von Auth um ein imaginiertes Problem zu lösen. Hat funktioniert!
roon/jriver > RME ADI-2/4 Pro SE > Neumann KH750/KH120 (IE900, HE1000S, E3)

roon > FiiO SR11 > Funk CASA-T > 8361a (GLM5)
roon > FiiO SR11 > Topping DX5 II > HE1000S

E3, HE1000S, IE300/600/900
Benutzeravatar
kds315
Mitglied
Beiträge: 3890
Registriert: Di 28. Jul 2020, 13:26
Has thanked: 780 times
Been thanked: 593 times

Re: Zweistufiger Netzfilter

Beitrag von kds315 »

Hab mir einen bestellt mit Drossel im PE-Leiter. Kannte ich bisher nicht, bin mal gespannt ob/was das bringt...
ROON on INTEL i7 NUC ► HOLO RED / ROPIEEE ALLO SPDIF ► RME ADI-2 FS / CAYIN DAC11 / FIIO WARMER / TOPPING CENTAURUS ► PRIMARE PRE ► 12ma + 20mA SRPP-ANTARES ► X9000/SR-009/SR-007S/4070/LNS/404LE/404 Signature/Signature/Pro/Normal Bias/SR-003 MK2/ES-2a
RunWithOne
Mitglied
Beiträge: 3517
Registriert: Mi 27. Sep 2017, 17:33
Has thanked: 235 times
Been thanked: 115 times

Re: Zweistufiger Netzfilter

Beitrag von RunWithOne »

Was erhofft du dir? Ist die Audioausgabe bei dir mangelhaft?
Suchst du noch oder hörst du schon?

PC/WiiM Pro + Violectric V850+280 / WiiM Ultra + V222 》Heddphone Two / Focal Clear + Elear + Celestee
Astell&Kern SP2000T 》E3000 / Penon Serial + Turbo / Thieaudio V16 Divinity
Benutzeravatar
kds315
Mitglied
Beiträge: 3890
Registriert: Di 28. Jul 2020, 13:26
Has thanked: 780 times
Been thanked: 593 times

Re: Zweistufiger Netzfilter

Beitrag von kds315 »

Ich wollte einen sekundären Überspannungsschutz und die Filterung vergleichen mit dem Filter was ich heute habe. Wenn ich das KH-Kabel vom Stax anfasse dann brummt das, ev geht das weg damit...
ROON on INTEL i7 NUC ► HOLO RED / ROPIEEE ALLO SPDIF ► RME ADI-2 FS / CAYIN DAC11 / FIIO WARMER / TOPPING CENTAURUS ► PRIMARE PRE ► 12ma + 20mA SRPP-ANTARES ► X9000/SR-009/SR-007S/4070/LNS/404LE/404 Signature/Signature/Pro/Normal Bias/SR-003 MK2/ES-2a
RunWithOne
Mitglied
Beiträge: 3517
Registriert: Mi 27. Sep 2017, 17:33
Has thanked: 235 times
Been thanked: 115 times

Re: Zweistufiger Netzfilter

Beitrag von RunWithOne »

Verstehe, glücklicherweise habe ich derartige Probleme nicht.
Suchst du noch oder hörst du schon?

PC/WiiM Pro + Violectric V850+280 / WiiM Ultra + V222 》Heddphone Two / Focal Clear + Elear + Celestee
Astell&Kern SP2000T 》E3000 / Penon Serial + Turbo / Thieaudio V16 Divinity
Benutzeravatar
kds315
Mitglied
Beiträge: 3890
Registriert: Di 28. Jul 2020, 13:26
Has thanked: 780 times
Been thanked: 593 times

Re: Zweistufiger Netzfilter

Beitrag von kds315 »

Klasse, ist weg!! Hat sich gelohnt....
Bekannter von mir hatte Brummen in seinem Antares ausgelöst durch einen benachbarten 5G/LTE-Funkmast,
das wurde damit ebenfalls beseitigt!
ROON on INTEL i7 NUC ► HOLO RED / ROPIEEE ALLO SPDIF ► RME ADI-2 FS / CAYIN DAC11 / FIIO WARMER / TOPPING CENTAURUS ► PRIMARE PRE ► 12ma + 20mA SRPP-ANTARES ► X9000/SR-009/SR-007S/4070/LNS/404LE/404 Signature/Signature/Pro/Normal Bias/SR-003 MK2/ES-2a
Dayolaf
Mitglied
Beiträge: 695
Registriert: Di 9. Mär 2021, 19:31
Has thanked: 107 times
Been thanked: 77 times

Re: Zweistufiger Netzfilter

Beitrag von Dayolaf »

Hallo,

Das freut mich für dich,😄.Hat es klanglich nochmal was gebracht oder rein die Ursache behoben?
Benutzeravatar
kds315
Mitglied
Beiträge: 3890
Registriert: Di 28. Jul 2020, 13:26
Has thanked: 780 times
Been thanked: 593 times

Re: Zweistufiger Netzfilter

Beitrag von kds315 »

Danke. Klar, da haben sich mehrere Vorhänge gehoben, der Klang ist jetzt deutlich weniger gedrosselt und wenn ich höre schwebe ich jetzt ca 10 cm über meiner Sitzposition, so etherisch ist der Klang jetzt geworden. Denke ich rede jetzt so überspannt wegen des eingebauten Überspannunsgschutzes, jetzt kann ich das ja nún ungefährdet loslassen so einen Schwurbelsch.... :schrei:

Nee, der Klang ist der gleiche, nur das schwache Brummen ist verschwunden.
ROON on INTEL i7 NUC ► HOLO RED / ROPIEEE ALLO SPDIF ► RME ADI-2 FS / CAYIN DAC11 / FIIO WARMER / TOPPING CENTAURUS ► PRIMARE PRE ► 12ma + 20mA SRPP-ANTARES ► X9000/SR-009/SR-007S/4070/LNS/404LE/404 Signature/Signature/Pro/Normal Bias/SR-003 MK2/ES-2a
Antworten