Neues aus dem Hause Focal: Der Focal Clear
- Firschi
- Moderator

- Beiträge: 5938
- Registriert: So 2. Okt 2016, 21:33
- Wohnort: Freiburg
- Has thanked: 47 times
- Been thanked: 155 times
- Kontaktdaten:
Re: Neues aus dem Hause Focal: Der Focal Clear
Vielleicht kann je jemand anders ein konkretes Szenario schildern, ich möchte das gerne nachvollziehen.
- Klangfreund''M''
- Moderator

- Beiträge: 1624
- Registriert: Di 25. Okt 2016, 15:00
- Wohnort: Berlin
- Has thanked: 3 times
- Been thanked: 27 times
- Kontaktdaten:
Re: Neues aus dem Hause Focal: Der Focal Clear
Das "wie" habe ich doch beschrieben. Das kannst du selbst damit nachbilden. Bei dem Versuch bekommst du auch direkt mit, bei welcher Lautstärke das Anschlagen anfängt. Dabei kannst du ja dann Messreihen erstellen. Einen Sweep würde ich allerdings aus Resonanz-Gründen nur mit Vorsicht genießen. Der Song "Mary Magdalene" ist zum Herantasten schon sehr gut geeignet. 
Re: Neues aus dem Hause Focal: Der Focal Clear
Es gibt auch im Thread auf ASR ein paar Beispielsongs, teilweise mit Darstellung des Frequenzgangs.
-
j!more
- Mitglied
- Beiträge: 1279
- Registriert: Mo 10. Apr 2017, 18:56
- Wohnort: Brunnthal
- Has thanked: 118 times
- Been thanked: 399 times
Re: Neues aus dem Hause Focal: Der Focal Clear
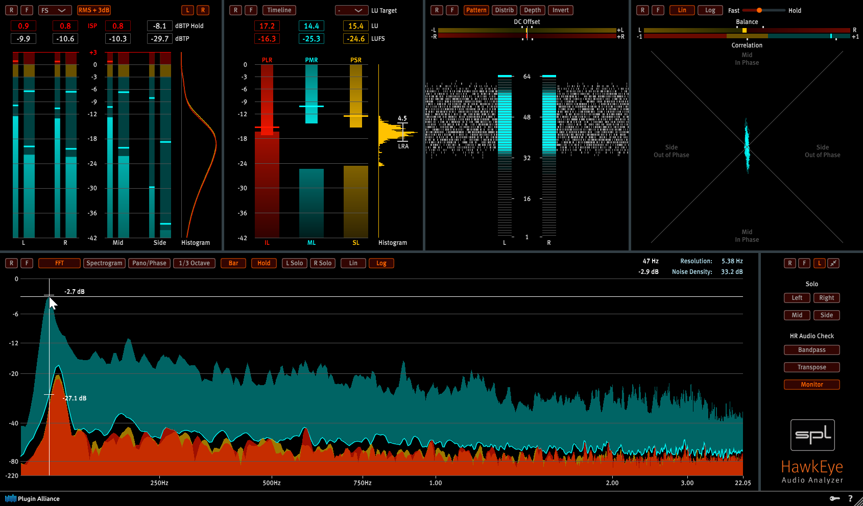
Das Bild zeigt die ersten fünf Minuten von mary magdalene: Nichts Wildes, und nichts wirklich Tiefes. 50 Hertz etwa, aber mit Wumms.
In rot der aktuelle Pegel, in grün die Peaks
Auf dem Bereich zwischen 50 und 60 Hertz kauen die ziemlich rum, wie man sieht.
Insgesamt ist das nicht so das typische Spektrum.
In rot der aktuelle Pegel, in grün die Peaks
Auf dem Bereich zwischen 50 und 60 Hertz kauen die ziemlich rum, wie man sieht.
Insgesamt ist das nicht so das typische Spektrum.
roon/jriver > RME ADI-2/4 Pro SE > Neumann KH750/KH120 (IE900, HE1000S, E3)
roon > FiiO SR11 > Funk CASA-T > 8361a (GLM5)
roon > FiiO SR11 > Topping DX5 II > HE1000S
E3, HE1000S, IE300/600/900
roon > FiiO SR11 > Funk CASA-T > 8361a (GLM5)
roon > FiiO SR11 > Topping DX5 II > HE1000S
E3, HE1000S, IE300/600/900
- Firschi
- Moderator

- Beiträge: 5938
- Registriert: So 2. Okt 2016, 21:33
- Wohnort: Freiburg
- Has thanked: 47 times
- Been thanked: 155 times
- Kontaktdaten:
Re: Neues aus dem Hause Focal: Der Focal Clear
Gut, dann will ich mal sehen, ob meinem Clear ein Knacken zu entlocken ist. Vielleicht habe ich die Tage tatsächlich mal Zeit dafür 
- civicep1
- Mitglied
- Beiträge: 284
- Registriert: Sa 3. Feb 2018, 21:33
- Has thanked: 21 times
- Been thanked: 33 times
Re: Neues aus dem Hause Focal: Der Focal Clear
So ganz verstehe ich die Diskussion in Bezug auf die veringerte Pegelfestigkeit bei massivem EQ Einsatz nicht. Es ist doch technisch absolut logisch, dass ein im Bass entzerrtes Chassis einen geringeren Maximalpegel erlaubt. Das eine Chassis hat da mehr Potential, das andere weniger.
Wenn ich meine kleinen Tannoy DC 4 Desktoplautsprecher mit ihren mickrigen 10cm TMT per DiracRCS entzerre, spielen die erstaunlich erwachsen und klingen eher nach einem 13cm TMT. Dafür können die gerade mal so höhere Zimmerlautstärke, bevor erste Verzerrungen auftreten. Logisch, da sie die 10Hz, die sie tiefer spielen als gewöhnlich, einen großteil der Energie frisst, die sie übertragen können.
So scheint es ja bei den offenen Focalen auch zu sein. Ein weich aufgehangenes Chassis, dem ich elektronisch deutlich mehr Bass (+6dB = 4-fache Leistung) entnehme. Wenn ich das dann auch bei unrealistischen 10Hz betreibe, ja dann brauche ich mich auch nicht wundern. Also ich glaube absolut, dass man das nachstellen kann und das Mark das reproduzieren kann. Mir stellt sich aber eher die Frage, wo liegt da die Ursache bzw. die technischen Unzulänglichkeiten. Beim Focal oder beim (falschen?) Einsatz des EQ. Ich behaupte, eher zweiteres.
Wenn ich einen Lautsprecher oder einen Kopfhörer "außerhalb" seiner natürlichen Übertragung betreibe (EQ, digitale Entzerrung, etc.), dann obliegt in meinen Augen mir selbst die Verantwortung, die Grenzen des Systems zu repektieren. Ich kann auch die vollen 4 Watt meines Violectric V280 in so einen Focal pumpen, brauch mich aber nicht wundern, wenn ich dabei etwas irreperabel zerstöre. Das Argument, andere Chassis können das ab (bspw. ein HE-6), zählt aber aus meiner Sicht nicht.
Wenn ich meine kleinen Tannoy DC 4 Desktoplautsprecher mit ihren mickrigen 10cm TMT per DiracRCS entzerre, spielen die erstaunlich erwachsen und klingen eher nach einem 13cm TMT. Dafür können die gerade mal so höhere Zimmerlautstärke, bevor erste Verzerrungen auftreten. Logisch, da sie die 10Hz, die sie tiefer spielen als gewöhnlich, einen großteil der Energie frisst, die sie übertragen können.
So scheint es ja bei den offenen Focalen auch zu sein. Ein weich aufgehangenes Chassis, dem ich elektronisch deutlich mehr Bass (+6dB = 4-fache Leistung) entnehme. Wenn ich das dann auch bei unrealistischen 10Hz betreibe, ja dann brauche ich mich auch nicht wundern. Also ich glaube absolut, dass man das nachstellen kann und das Mark das reproduzieren kann. Mir stellt sich aber eher die Frage, wo liegt da die Ursache bzw. die technischen Unzulänglichkeiten. Beim Focal oder beim (falschen?) Einsatz des EQ. Ich behaupte, eher zweiteres.
Wenn ich einen Lautsprecher oder einen Kopfhörer "außerhalb" seiner natürlichen Übertragung betreibe (EQ, digitale Entzerrung, etc.), dann obliegt in meinen Augen mir selbst die Verantwortung, die Grenzen des Systems zu repektieren. Ich kann auch die vollen 4 Watt meines Violectric V280 in so einen Focal pumpen, brauch mich aber nicht wundern, wenn ich dabei etwas irreperabel zerstöre. Das Argument, andere Chassis können das ab (bspw. ein HE-6), zählt aber aus meiner Sicht nicht.
- Robodoc
- Moderator

- Beiträge: 4252
- Registriert: Fr 30. Sep 2016, 17:56
- Wohnort: Dortmund
- Has thanked: 182 times
- Been thanked: 348 times
Re: Neues aus dem Hause Focal: Der Focal Clear
Guter Kommentar!
Generell gilt, dass technische dynamische Systeme innerhalb ihrer Spezifikation betrieben werden müssen. Beispiel für Stammtisch: Wer sein Getriebe immer erst im roten Drehzahlbereich schaltet muss sich auch nicht wundern, wenn er irgendwann Bekanntschaft mit den Zylinderköpfen macht. Das leuchtet hoffentlich jedem ein.
Diese elende Diskussion um das Anschlagen und die Pegelfestigkeit der Focal Treiber kam schon vor dem Clear auf. Ein Treiber, der so schwingungsfähig ist und dermaßen viel Hub hat, könne gar nicht in seinem Häuschen bleiben. So die Vermutung. Kann mich dran erinnern, dass irgendwelche Bekloppten den Utopia bei der Erstpräsentation auf der High End Munich dann so vergewaltigt haben, dass der Mitarbeiter des deutschen Imports fast aus der Hose gesprungen ist und sich u.a. bei mir bitter beklagt hat über "diese Idioten". Der Utopia hat das aber weggesteckt.
Das gleiche Spielchen ging dann weiter nach der Vorstellung des Clear. Es hat in meinem Bekanntenkreis zumindest Gregor N. geschafft, den anschlagen zu lassen und das im OEF in seiner unnachahmlichen Art breitgetreten. Ich kann mich aber noch an einen Abend auf der Audiovista in Krefeld erinnern, als er versucht hat, das bei einem Fläschchen Whiskey mit seinem A&K und meinem Clear nachzustellen. Ohne Erfolg. Ein gutes Gefühl hatte ich bei der Sache übrigens nicht. Mein Clear hat fast das ganze Zimmer beschallt in diesem Versuch. Aber auch der hat das weggesteckt.
Ich habe das "Problem" ehrlich gesagt nie ernst genommen. Der Clear und seine Geschwister sind wunderbare Hörer, mit denen man normalerweise verantwortungsvoll umgeht.
"Diese Idioten" von der High End sind wahrscheinlich auch die, die ihr Verstärkerpoti auf volle Pulle stellen und dann das Ding einschalten.
Und wenn dann was abraucht, ist die Technik schuld.
Ja nee is klar.
- civicep1
- Mitglied
- Beiträge: 284
- Registriert: Sa 3. Feb 2018, 21:33
- Has thanked: 21 times
- Been thanked: 33 times
Re: Neues aus dem Hause Focal: Der Focal Clear
Da fehlt ja bei einigen Protagonisten, die aufgrund ihrer Position im Kopfhörersegment oder durch Forenauftritte meinungsbildend sind, ein bisschen das Verantwortungsbewusstsein. Ich kann natürlich eine persönliche Meinung haben, muss die dann aber auch so kennzeichnen. Da sehe ich die Gefahr, wenn ich annähernd den gesamten Kopfhörermarkt kenne - weil selber besessen oder als Leihgabe gehabt - welche Bewertungskriterien ich objektiv ansetzen kann. Also was ist objektiv haltbar und was ist subjektives Empfinden aufgrund persönlicher Erfahrungen und Erwartungen.
Ich kann objektiv sicherlich schlecht selektierte Treiber (Pegeldifferenzen >1dB), schlechtes Klirrverhalten, Unstimmigkeiten im Frequenzgang bezogen auf einen definierte Zielkurve, etc. objektivieren. Bei der Pegelfestigkeit ist es speziell bei Einsatz von EQs dann aber nicht mehr so einfach in gut und schlecht einzuteilen. Da spielt ja die Auslegung des Herstellers eine große Rolle. Klar, wenn Kopfhörer A deutlich mehr EQ im Tiefbass umsetzen kann als B, kann ich ohne groß nachzudenken ganz einfach sagen, A ist besser. Wenn ich aber einen Moment über die Gründe und die Auslegung des Herstellers nachdenke, könnte ich auch zum Schluss kommen, das Hersteller B im Serientrimm einfach besser ausgelegt hat, weil er das Potential des Treibers out-of-the-box mehr ausschöpft.
Ist bei Verbrennungsmotoren ja auch so. Motor A verträgt doppelt soviel Tuning wie Motor B, also ist A doch viel besser? Ohne die Auslegungskriterien und weitere Entwicklungsziele von Hersteller A und B zu kennen (Gewicht der Antriebseinheit, Emissionen, CO2, etc.) wird aus A ist besser ganz schnell nur ein subjektives Urteil aufgrund persönlicher Präferenzen.
Summa summarum: ich kann persönlich als Kriterium den gewünschten Einsatz von EQ bei der Wahl eines Kopfhörers ansetzen, kann aber nicht schlussfolgern, dass ein Kopfhörer schlecht ist, weil er den gewünschten EQ-Einsatz nicht wie präferiert, umsetzen kann.
Ich kann objektiv sicherlich schlecht selektierte Treiber (Pegeldifferenzen >1dB), schlechtes Klirrverhalten, Unstimmigkeiten im Frequenzgang bezogen auf einen definierte Zielkurve, etc. objektivieren. Bei der Pegelfestigkeit ist es speziell bei Einsatz von EQs dann aber nicht mehr so einfach in gut und schlecht einzuteilen. Da spielt ja die Auslegung des Herstellers eine große Rolle. Klar, wenn Kopfhörer A deutlich mehr EQ im Tiefbass umsetzen kann als B, kann ich ohne groß nachzudenken ganz einfach sagen, A ist besser. Wenn ich aber einen Moment über die Gründe und die Auslegung des Herstellers nachdenke, könnte ich auch zum Schluss kommen, das Hersteller B im Serientrimm einfach besser ausgelegt hat, weil er das Potential des Treibers out-of-the-box mehr ausschöpft.
Ist bei Verbrennungsmotoren ja auch so. Motor A verträgt doppelt soviel Tuning wie Motor B, also ist A doch viel besser? Ohne die Auslegungskriterien und weitere Entwicklungsziele von Hersteller A und B zu kennen (Gewicht der Antriebseinheit, Emissionen, CO2, etc.) wird aus A ist besser ganz schnell nur ein subjektives Urteil aufgrund persönlicher Präferenzen.
Summa summarum: ich kann persönlich als Kriterium den gewünschten Einsatz von EQ bei der Wahl eines Kopfhörers ansetzen, kann aber nicht schlussfolgern, dass ein Kopfhörer schlecht ist, weil er den gewünschten EQ-Einsatz nicht wie präferiert, umsetzen kann.
-
RunWithOne
- Mitglied
- Beiträge: 3517
- Registriert: Mi 27. Sep 2017, 17:33
- Has thanked: 236 times
- Been thanked: 115 times
Re: Neues aus dem Hause Focal: Der Focal Clear
Das sehe ich auch so, absoluter Schmarrn.civicep1 hat geschrieben: ↑Do 24. Dez 2020, 10:39 So ganz verstehe ich die Diskussion in Bezug auf die veringerte Pegelfestigkeit bei massivem EQ Einsatz nicht. Es ist doch technisch absolut logisch, dass ein im Bass entzerrtes Chassis einen geringeren Maximalpegel erlaubt. Das eine Chassis hat da mehr Potential, das andere weniger.
civicep1 hat geschrieben: ↑Do 24. Dez 2020, 10:39 So scheint es ja bei den offenen Focalen auch zu sein. Ein weich aufgehangenes Chassis, dem ich elektronisch deutlich mehr Bass (+6dB = 4-fache Leistung) entnehme. Wenn ich das dann auch bei unrealistischen 10Hz betreibe, ja dann brauche ich mich auch nicht wundern. Also ich glaube absolut, dass man das nachstellen kann und das Mark das reproduzieren kann. Mir stellt sich aber eher die Frage, wo liegt da die Ursache bzw. die technischen Unzulänglichkeiten. Beim Focal oder beim (falschen?) Einsatz des EQ. Ich behaupte, eher zweiteres.
So ist es das Problem sitzt auch des Öfteren vor dem System. Datenblätter oder Anleitung sind etwas für ... . Na ihr wisst schon für wen.civicep1 hat geschrieben: ↑Do 24. Dez 2020, 10:39 Wenn ich einen Lautsprecher oder einen Kopfhörer "außerhalb" seiner natürlichen Übertragung betreibe (EQ, digitale Entzerrung, etc.), dann obliegt in meinen Augen mir selbst die Verantwortung, die Grenzen des Systems zu repektieren. Ich kann auch die vollen 4 Watt meines Violectric V280 in so einen Focal pumpen, brauch mich aber nicht wundern, wenn ich dabei etwas irreperabel zerstöre. Das Argument, andere Chassis können das ab (bspw. ein HE-6), zählt aber aus meiner Sicht nicht.
Edit erinnert sich:
Als ich vor Jahren noch F1 geschaut habe, hat sich Red Bull auch aufgeregt, das ihn kurz vor Rennende der Reifen flöten gegangen ist. Ist aber kein Wunder, wenn man ein System/Produkt außerhalb seiner Grenzen betreibt. Damals haben sie den Reifen mit wesentlich zu großem negativen Sturz betrieben. Klar kann man dann schneller durch die Kurven bügeln. Jedoch auf Kosten der Dauerhaltbarkeit.
Wer also seinen Clear himmeln will, auf geht´s.
Zuletzt geändert von RunWithOne am Do 24. Dez 2020, 12:06, insgesamt 1-mal geändert.
Suchst du noch oder hörst du schon?
PC/WiiM Pro + Violectric V850+280 / WiiM Ultra + V222 》Heddphone Two / Focal Clear + Elear + Celestee
Astell&Kern SP2000T 》E3000 / Penon Serial + Turbo / Thieaudio V16 Divinity
PC/WiiM Pro + Violectric V850+280 / WiiM Ultra + V222 》Heddphone Two / Focal Clear + Elear + Celestee
Astell&Kern SP2000T 》E3000 / Penon Serial + Turbo / Thieaudio V16 Divinity
- Firschi
- Moderator

- Beiträge: 5938
- Registriert: So 2. Okt 2016, 21:33
- Wohnort: Freiburg
- Has thanked: 47 times
- Been thanked: 155 times
- Kontaktdaten:
Re: Neues aus dem Hause Focal: Der Focal Clear
MichRunWithOne hat geschrieben: ↑Do 24. Dez 2020, 11:54Datenblätter oder Anleitung sind etwas für ... . Na ihr wisst schon für wen.
- Klangfreund''M''
- Moderator

- Beiträge: 1624
- Registriert: Di 25. Okt 2016, 15:00
- Wohnort: Berlin
- Has thanked: 3 times
- Been thanked: 27 times
- Kontaktdaten:
Re: Neues aus dem Hause Focal: Der Focal Clear
Genau darum ging es mir ja, als hier von den Erkenntnissen vom Amir berichtet wurde. Den Clear so zu verreißen ohne nachzudenken, dafür hat der sich für mich schon disqualifiziert.civicep1 hat geschrieben: ↑Do 24. Dez 2020, 10:39 ...Also ich glaube absolut, dass man das nachstellen kann und das Mark das reproduzieren kann. Mir stellt sich aber eher die Frage, wo liegt da die Ursache bzw. die technischen Unzulänglichkeiten. Beim Focal oder beim (falschen?) Einsatz des EQ. Ich behaupte, eher zweiteres.
...
Die Focal-Kopfhörer allesamt sind bereits technisch optimal genutzt und auch mit genügend Reserven ausgestattet. Selbst fahren im "roten Bereich" macht ihnen nichts aus. Und j!more hat ja schön dargestellt, dass in dem von mir genannten Musik-Teststück nicht einmal absurd tiefe Frequenzen vorhanden sind, dafür aber eine absurd hohe Betonung des 50Hz-Bereiches. Wenn da natürlich nun auch noch zusätzlich gute 6dB aufgeschlagen werden, dann ist das nicht mehr der Betrieb im Grenzbereich, sondern der Betrieb über dem Systemlimit.
Und mein Beispiel von Hardware, die einen Bass-Boost mitbringen, soll nur verdeutlichen, dass man auch da nicht von ausgehen darf, dass diese in irgendeiner Art und Weise mit Herstellern abgestimmt sind. Warum auch?
Am Beispiel des xDSD hätte ich vorher nie erwartet, dass der Bass-Boost so ein Problem werden könnte. Und schon gar nicht, weil ifi Audio nicht wie viele andere den Oberbass besonders pusht, um den Klang fetter klingen zu lassen.
Mein Fazit:
Weder Focal Clear noch Clear Pro benötigen irgendeinen zusätzlichen Bass-Boost. Beide sind absolut hervorragend abgestimmt. Wenn jemand mehr Bass erwartet, dann muss er sich einfach bei einem anderen Kopfhörer umschauen.
Komisch, bei Stax sind mir solche Diskussionen bisher nicht bekannt. Da zeigt sich, dass eine deutlich begrenzteres System auch deutlich seltener außerhalb seiner Specs betrieben wird.
- civicep1
- Mitglied
- Beiträge: 284
- Registriert: Sa 3. Feb 2018, 21:33
- Has thanked: 21 times
- Been thanked: 33 times
Re: Neues aus dem Hause Focal: Der Focal Clear
Kurz OT zum Thema Systemgrenze Stax: die Grenze kommt ja eher von Seiten der Verstärker. Einfach schon aus Sicht des Personenschutzes bei Isolationsfehler. Ein Freund und Röhrenbauer hat mir mal einen Endgame-KHV für Stax mit 4 300B Röhren in LTSpice entworfen und simuliert. Da wäre das Audiosignal perfekt mit minimalsten Phasenfehlern an den Frequenzbandenden. Nur hätten die 300B bei 100V Aussteuerung 60mA über die Anode in den Hörer geschoben. Pro Röhre versteht sich. Das wäre potenziell tödlich bei einem Isolationsfehler.
Also können tut das Stax System theoretisch deutlich mehr. Man sieht ja schon am CCS Umbau und der Verdoppelung bis Verdreifachung des Anodenstromes, was da auf Hörerseite schon mit 10mA passiert.
Also können tut das Stax System theoretisch deutlich mehr. Man sieht ja schon am CCS Umbau und der Verdoppelung bis Verdreifachung des Anodenstromes, was da auf Hörerseite schon mit 10mA passiert.
Re: Neues aus dem Hause Focal: Der Focal Clear
Also ich betreibe beide mit EQ, sowohl den L700 als auch den Clear mit Anhebung im Bass, unterhalb der Harman-Kurve, bisher ohne Nachteile.
Ich würde auch immer noch gerne den Vergleich zu einem anderen Clear auf ASR sehen, unter gleichen Bedingungen. Focal und Serienkonstanz scheinen mir nicht immer zusammen zu passen.
Die Verwendung eines dynamischen EQs könnte auch helfen, falls man das Problem haben sollte.
Ich würde auch immer noch gerne den Vergleich zu einem anderen Clear auf ASR sehen, unter gleichen Bedingungen. Focal und Serienkonstanz scheinen mir nicht immer zusammen zu passen.
Die Verwendung eines dynamischen EQs könnte auch helfen, falls man das Problem haben sollte.
-
Diego Dee
- Mitglied
- Beiträge: 641
- Registriert: So 11. Mär 2018, 18:07
- Wohnort: 73527 Schwäbisch Gmünd
Re: Neues aus dem Hause Focal: Der Focal Clear
Hier geht es aber offensichtlich nicht um ein moderates EQing.
Ich habe mich schon immer über Hinweise bei div. Gebrauchsanleitungen gewundert wo es z.B. heißt, daß man (lebende!) Haustiere nicht
in der Waschmaschine waschen soll und die Microwelle nicht zum trocknen von (ebenfalls lebenden!) Haustieren verwendet werden soll.
Im PA Bereich gibt es sog. Limiter die sicherstellen sollen, daß Lautsprecher nicht bis zum Clip bzw. Anschlagen betrieben werden um das Material zu schonen.
Und: ein Auto fährt nicht schneller wenn ich das Gaspedal 3cm weiter als das Bodenblech durchdrücke
Es gibt auf YouTube Videos in denen zu sehen ist wie ein Lautsprecher reagiert der direkt mit 230V aus der Steckdose befeuert wird
Das sind dumme Jungen Streiche wie das dämliche Gekicher im Hintergrund meist belegt.
Einen 1000€ KH zum Anschlagen der Treiber zu zwingen finde ich nun keine besondere Kunst.
Was soll damit demonstriert werden? Etwa daß man in der Lage ist einen KH mit 1Milliarde Volt bzw. bei 10Hz mit 150db zu betreiben um sich nachher enttäuscht äußern zu können daß das Dingens nix aushält und verzerrt?

Ich habe mich schon immer über Hinweise bei div. Gebrauchsanleitungen gewundert wo es z.B. heißt, daß man (lebende!) Haustiere nicht
in der Waschmaschine waschen soll und die Microwelle nicht zum trocknen von (ebenfalls lebenden!) Haustieren verwendet werden soll.
Im PA Bereich gibt es sog. Limiter die sicherstellen sollen, daß Lautsprecher nicht bis zum Clip bzw. Anschlagen betrieben werden um das Material zu schonen.
Und: ein Auto fährt nicht schneller wenn ich das Gaspedal 3cm weiter als das Bodenblech durchdrücke
Es gibt auf YouTube Videos in denen zu sehen ist wie ein Lautsprecher reagiert der direkt mit 230V aus der Steckdose befeuert wird
Das sind dumme Jungen Streiche wie das dämliche Gekicher im Hintergrund meist belegt.
Einen 1000€ KH zum Anschlagen der Treiber zu zwingen finde ich nun keine besondere Kunst.
Was soll damit demonstriert werden? Etwa daß man in der Lage ist einen KH mit 1Milliarde Volt bzw. bei 10Hz mit 150db zu betreiben um sich nachher enttäuscht äußern zu können daß das Dingens nix aushält und verzerrt?
Ich hätte dem meinen sauer verdienten KH weggenommenRobodoc hat geschrieben: ↑Do 24. Dez 2020, 11:07 Das gleiche Spielchen ging dann weiter nach der Vorstellung des Clear. Es hat in meinem Bekanntenkreis zumindest Gregor N. geschafft, den anschlagen zu lassen und das im OEF in seiner unnachahmlichen Art breitgetreten. Ich kann mich aber noch an einen Abend auf der Audiovista in Krefeld erinnern, als er versucht hat, das bei einem Fläschchen Whiskey mit seinem A&K und meinem Clear nachzustellen. Ohne Erfolg. Ein gutes Gefühl hatte ich bei der Sache übrigens nicht. Mein Clear hat fast das ganze Zimmer beschallt in diesem Versuch. Aber auch der hat das weggesteckt.
Re: Neues aus dem Hause Focal: Der Focal Clear
Also die von Amirm gewählten Einstellungen im Bass bringen den Hörer relativ dicht an die Harman-Kurve und die Messungen scheinen nicht weit von Oratorys abzweichen, also nichts Ungewöhnliches. Bei meinem Hörer und meiner Musik verursacht das auch keine Probleme.
Bei den genannten Song-Beispielen scheinen extreme Sprünge nach oben zu existieren (Bassbereich).
Er checkt halt, ob man bei dieser Zielkurve diese Songs bei einer bestimmten Lautstärke noch gehandelt bekommt. Das Ergebnis dieses Versuchs fällt für den Clear negativ aus, mehr sagt dieser Test auch nicht aus.
Es wird sicher viele Hörer geben, welche hier kein Problem haben, aus verschiedenen Gründen.
Die Dramatik sehe ich daher nicht, über die Interpretation bzw. Darstellung kann man aber wohl geteilter Meinung sein. Das Ergebnis selbst ist für mich irrelevant, weil außerhalb meiner Parameter.
Ich könnte mir auch vorstellen, dass der Lernprozess bezüglich Ansatz Kopfhörermessungen noch nicht abgeschlossen ist.
Im Text wird zwar von einer Übertragung auf EQ-APO geschrieben, unklar bleibt, ob der dort generierte negative Pregain auch bei Amirm angewendet wurde, und immer noch die Frage, ob es ein einwandfreier Clear war.
Bei den genannten Song-Beispielen scheinen extreme Sprünge nach oben zu existieren (Bassbereich).
Er checkt halt, ob man bei dieser Zielkurve diese Songs bei einer bestimmten Lautstärke noch gehandelt bekommt. Das Ergebnis dieses Versuchs fällt für den Clear negativ aus, mehr sagt dieser Test auch nicht aus.
Es wird sicher viele Hörer geben, welche hier kein Problem haben, aus verschiedenen Gründen.
Die Dramatik sehe ich daher nicht, über die Interpretation bzw. Darstellung kann man aber wohl geteilter Meinung sein. Das Ergebnis selbst ist für mich irrelevant, weil außerhalb meiner Parameter.
Ich könnte mir auch vorstellen, dass der Lernprozess bezüglich Ansatz Kopfhörermessungen noch nicht abgeschlossen ist.
Im Text wird zwar von einer Übertragung auf EQ-APO geschrieben, unklar bleibt, ob der dort generierte negative Pregain auch bei Amirm angewendet wurde, und immer noch die Frage, ob es ein einwandfreier Clear war.
-
Killerweman
- Mitglied
- Beiträge: 65
- Registriert: Di 22. Dez 2020, 21:46
Re: Neues aus dem Hause Focal: Der Focal Clear
Guten Tag,
ich interessiere mich für den Focal Clear, hätte dbzgl. ein paar Fragen und würde mich freuen, wenn ihr mir weiterhelfen könnt:
- Was meint ihr wie sehr sich die Produktionskosten ggü. einem 200 € - Hörer unterscheiden? Ist da einfach die Gewinnmarge zigfach höher oder sind die Kosten schon auch wesentlich höher?
- Könnte der Anpressdruck u.U. zu groß sein oder ist auch stundenlanges Tragen (5-6h) grundsätzlich kein Problem?
- Hat man mit dem 5m - Spiralkabel auf ca. 2,5 m Entfernung zum Khv schon Zug auf dem Kopf oder tritt das auf dieser Distanz noch nicht auf? Ist so ein langes Kabel klanglich ggü. einem glatten 3m-Kabel nicht im klanglichen Nachteil oder ist das komplett egal?
- Stimmt es, dass der Hörer schwächere bis durchschnittliche Produktionen schonungs-, gnaden- und kompromisslos offenlegt und ein billigerer Hörer wie HD560S, HE-400, HD-600, Sundara, Monolith SM1070, Shure 440, Denon 7200 usw. sogar besser geeignet sein kann oder ist das keineswegs der Fall?
Ansonsten bleibe ich nämlich dabei, da der Clear selbst für den für einen Kopfhörer höheren Preis damals für 1.5k schon ein absoluter P/L-Kracher und einer der besten dynamischen KH dieser Erde sein soll und nun ja nochmals 1/3 günstiger ist
.
ich interessiere mich für den Focal Clear, hätte dbzgl. ein paar Fragen und würde mich freuen, wenn ihr mir weiterhelfen könnt:
- Was meint ihr wie sehr sich die Produktionskosten ggü. einem 200 € - Hörer unterscheiden? Ist da einfach die Gewinnmarge zigfach höher oder sind die Kosten schon auch wesentlich höher?
- Könnte der Anpressdruck u.U. zu groß sein oder ist auch stundenlanges Tragen (5-6h) grundsätzlich kein Problem?
- Hat man mit dem 5m - Spiralkabel auf ca. 2,5 m Entfernung zum Khv schon Zug auf dem Kopf oder tritt das auf dieser Distanz noch nicht auf? Ist so ein langes Kabel klanglich ggü. einem glatten 3m-Kabel nicht im klanglichen Nachteil oder ist das komplett egal?
- Stimmt es, dass der Hörer schwächere bis durchschnittliche Produktionen schonungs-, gnaden- und kompromisslos offenlegt und ein billigerer Hörer wie HD560S, HE-400, HD-600, Sundara, Monolith SM1070, Shure 440, Denon 7200 usw. sogar besser geeignet sein kann oder ist das keineswegs der Fall?
Ansonsten bleibe ich nämlich dabei, da der Clear selbst für den für einen Kopfhörer höheren Preis damals für 1.5k schon ein absoluter P/L-Kracher und einer der besten dynamischen KH dieser Erde sein soll und nun ja nochmals 1/3 günstiger ist
-
j!more
- Mitglied
- Beiträge: 1279
- Registriert: Mo 10. Apr 2017, 18:56
- Wohnort: Brunnthal
- Has thanked: 118 times
- Been thanked: 399 times
Re: Neues aus dem Hause Focal: Der Focal Clear
So, jetzt habe ich bei Drop ein Paar plüschige Dekonis bestellt. Die sollen ja aus einem Clear einen Elear machen. Oder so.
roon/jriver > RME ADI-2/4 Pro SE > Neumann KH750/KH120 (IE900, HE1000S, E3)
roon > FiiO SR11 > Funk CASA-T > 8361a (GLM5)
roon > FiiO SR11 > Topping DX5 II > HE1000S
E3, HE1000S, IE300/600/900
roon > FiiO SR11 > Funk CASA-T > 8361a (GLM5)
roon > FiiO SR11 > Topping DX5 II > HE1000S
E3, HE1000S, IE300/600/900
- civicep1
- Mitglied
- Beiträge: 284
- Registriert: Sa 3. Feb 2018, 21:33
- Has thanked: 21 times
- Been thanked: 33 times
Re: Neues aus dem Hause Focal: Der Focal Clear
Killerweman hat geschrieben: ↑Di 29. Dez 2020, 16:17 Guten Tag,
ich interessiere mich für den Focal Clear, hätte dbzgl. ein paar Fragen und würde mich freuen, wenn ihr mir weiterhelfen könnt:
- Was meint ihr wie sehr sich die Produktionskosten ggü. einem 200 € - Hörer unterscheiden? Ist da einfach die Gewinnmarge zigfach höher oder sind die Kosten schon auch wesentlich höher?
vermutlich beides. Höhere Marge weil höherpreisiges Segment und mehr Zubehör. Beim Clear sind 3 Kabel dabei, beim Pro ein zweites Paar Ohrpolster
- Könnte der Anpressdruck u.U. zu groß sein oder ist auch stundenlanges Tragen (5-6h) grundsätzlich kein Problem?
die Focal sind keine Schraubstöcke, vermutlich sind 5h und mehr möglich, letztlich muss man das aber individuell entscheiden. Einheitliche Rückmeldung über schlechten Tragekomfort wie bspw. bei den Audeze LCD Hörern kenne ich nicht
- Hat man mit dem 5m - Spiralkabel auf ca. 2,5 m Entfernung zum Khv schon Zug auf dem Kopf oder tritt das auf dieser Distanz noch nicht auf? Ist so ein langes Kabel klanglich ggü. einem glatten 3m-Kabel nicht im klanglichen Nachteil oder ist das komplett egal?
ob 2m oder 5m ist schnuppe, das hat keine klanglichen Auswirkungen, ob beim Spitalkabel schon Zug drauf ist bei 2m Abstand, kann ich nicht beurteilen, hane den normalen Clear
- Stimmt es, dass der Hörer schwächere bis durchschnittliche Produktionen schonungs-, gnaden- und kompromisslos offenlegt und ein billigerer Hörer wie HD560S, HE-400, HD-600, Sundara, Monolith SM1070, Shure 440, Denon 7200 usw. sogar besser geeignet sein kann oder ist das keineswegs der Fall?
Der Clear wird auch mit mäßigen Produktionen Spaß machen wegen seiner Dynamik. Schlechte Aufnahmen klingen immer schlechter als gute. Ich höre lieber mit gutem Equipment.
Ansonsten bleibe ich nämlich dabei, da der Clear selbst für den für einen Kopfhörer höheren Preis damals für 1.5k schon ein absoluter P/L-Kracher und einer der besten dynamischen KH dieser Erde sein soll und nun ja nochmals 1/3 günstiger ist.
Ich bin mal so frei und schreibe fett in deinen Text rein.
-
RunWithOne
- Mitglied
- Beiträge: 3517
- Registriert: Mi 27. Sep 2017, 17:33
- Has thanked: 236 times
- Been thanked: 115 times
Re: Neues aus dem Hause Focal: Der Focal Clear
Im Vergleich du den "Kopfdrückern" der Beyerdynamic PRO KH ist der Clear nahezu ein KopfstreichIer. Da musst der dir keine Sorgen machen
Suchst du noch oder hörst du schon?
PC/WiiM Pro + Violectric V850+280 / WiiM Ultra + V222 》Heddphone Two / Focal Clear + Elear + Celestee
Astell&Kern SP2000T 》E3000 / Penon Serial + Turbo / Thieaudio V16 Divinity
PC/WiiM Pro + Violectric V850+280 / WiiM Ultra + V222 》Heddphone Two / Focal Clear + Elear + Celestee
Astell&Kern SP2000T 》E3000 / Penon Serial + Turbo / Thieaudio V16 Divinity
- Robodoc
- Moderator

- Beiträge: 4252
- Registriert: Fr 30. Sep 2016, 17:56
- Wohnort: Dortmund
- Has thanked: 182 times
- Been thanked: 348 times
Re: Neues aus dem Hause Focal: Der Focal Clear
Ich höre heute das Beethoven Projekt von Paavo Jarvi und der deutschen Kammerphilharmonie ... alle 9ne ... das ist, keine Ahnung, geschätzt ein 6-7 Stunden Marathon ... das schaff ich kopfhörermäßig nur mit dem Clear (und ein bisschen Crossfeed).
Selbst der L700 ist für mich nicht so langzeittauglich.
Selbst der L700 ist für mich nicht so langzeittauglich.
-
j!more
- Mitglied
- Beiträge: 1279
- Registriert: Mo 10. Apr 2017, 18:56
- Wohnort: Brunnthal
- Has thanked: 118 times
- Been thanked: 399 times
Re: Neues aus dem Hause Focal: Der Focal Clear
Wie wirken sich Gewinnmargen klanglich aus?Killerweman hat geschrieben: ↑Di 29. Dez 2020, 16:17 - Was meint ihr wie sehr sich die Produktionskosten ggü. einem 200 € - Hörer unterscheiden? Ist da einfach die Gewinnmarge zigfach höher oder sind die Kosten schon auch wesentlich höher?
Ich finde, wer gute Kopfhörer herstellt und verkauft, darf gerne ordentlich verdienen.
roon/jriver > RME ADI-2/4 Pro SE > Neumann KH750/KH120 (IE900, HE1000S, E3)
roon > FiiO SR11 > Funk CASA-T > 8361a (GLM5)
roon > FiiO SR11 > Topping DX5 II > HE1000S
E3, HE1000S, IE300/600/900
roon > FiiO SR11 > Funk CASA-T > 8361a (GLM5)
roon > FiiO SR11 > Topping DX5 II > HE1000S
E3, HE1000S, IE300/600/900
-
Killerweman
- Mitglied
- Beiträge: 65
- Registriert: Di 22. Dez 2020, 21:46
Re: Neues aus dem Hause Focal: Der Focal Clear
Grundsätzlich ja, wenn das dann auch in der letzten Instanz ankommt und nicht nur ein paar wenige verdienen. Aber ich habe sowieso nur rein interessehalber gefragt, falls das jemand vielleicht einschätzen kann. Aber das ist jetzt nicht so wichtig. Auf jeden Fall sage ich schon mal danke für die netten Antworten. Ich denke, dann bleibe ich bei der Pro-Version, weil die Farbe sich nicht so schnell verfärben soll, mir besser gefällt, billiger ist und zusätzliche Pads vorhanden sind. Lediglich die Kabelanzahl ist von Nachteil. Also falls jemand den Pro hat und vielleicht mal ca. 2,5 m entfernt sitzen könnte, um mir zu sagen, ob da das Kabel schon aus dem KH fliegt oder zieht, wäre ich dankbar, ansonsten muss ich schlimmstenfalls ein Kabel dazu kaufen, wobei es in dieser Preisklasse eig. schon Standard sein sollte, dass man auch bis zu 3 m entfernt sitzen kann, wenn man bedenkt, dass das bei ganz günstigen KH auch möglich ist.
- Robodoc
- Moderator

- Beiträge: 4252
- Registriert: Fr 30. Sep 2016, 17:56
- Wohnort: Dortmund
- Has thanked: 182 times
- Been thanked: 348 times
Re: Neues aus dem Hause Focal: Der Focal Clear
Besorg dir ne Verlängerung ... ich habe eine symmetrische mit recht einfachem Gummikabel 6 Meter lang. Reicht bei mir.
Bei Symmetrie kannst du bestimmt auch 50 Meter lang machen.
Spiralkabel mag ich nicht. Aber ich würde NIE einen Kopfhörer nach Kabel auswählen ... schon gar nicht, wenn es wechselbar ist wie bei Focal.
Bei Symmetrie kannst du bestimmt auch 50 Meter lang machen.
Spiralkabel mag ich nicht. Aber ich würde NIE einen Kopfhörer nach Kabel auswählen ... schon gar nicht, wenn es wechselbar ist wie bei Focal.
-
Killerweman
- Mitglied
- Beiträge: 65
- Registriert: Di 22. Dez 2020, 21:46
Re: Neues aus dem Hause Focal: Der Focal Clear
Ja, es wäre schon ein wenig übertrieben den Clear nur wegen des Kabels nicht zu kaufen. Etwas würde mich noch interessieren: Kann hier jemand vielleicht einen Vergleich zum R70x ziehen, welcher gewisse Ähnlichkeiten mit dem Clear aufweist: Neutral, leichte Wärme, P/L-Kracher nur eben in einer anderen Preisklasse mit geringerem Gewicht. Leider gibt es hier noch keinen Thread dazu. Nimmt man da nur leichte Abstriche in Kauf oder ist das deutlicher. Es ist nur so, dass ich mit ca. 1k ein gewisses Budget habe und auch noch einen Smartspeaker kaufen möchte. Genauer gesagt entweder den Bluesound Pulse 2i + Audio Technica ATH-R70X oder den Marshall Uxbridge und den Focal Clear. Die Frage ist, ob man beim aktiven Musikhören nicht eher aufgrund des Klangs und Stereoeffekts eher zum Clear greift, selbst wenn man den Pulse 2i hat? Falls ja, stünde letzterer ja eher herum und es reicht der Uxbridge als Hintergrundbeschallung für Internetradio. Ich denke, ich lege den Fokus lieber auf den KH und nicht auf den Smartspeaker. Es ist auch schwierig unterschiedliche Gerätekategorien miteinander zu vergleichen, aber wenn es nur um den Klang geht ist so ein Clear bestimmt besser als so eine Bluesound - Box, die preislich auch gar nicht mal so günstig ist. Aber ein Vgl. zum R70x würde mich noch interessieren, auch wenn ich höchstwahrscheinlich beim Clear bleibe, um das Thema dann auch mal endlich abzuschließen.
-
RunWithOne
- Mitglied
- Beiträge: 3517
- Registriert: Mi 27. Sep 2017, 17:33
- Has thanked: 236 times
- Been thanked: 115 times
Re: Neues aus dem Hause Focal: Der Focal Clear
So ist es wohl. ich habe erste gestern wieder mit den Bügeleisenkabel gehört. Das gibt keine klanglichen Einbußen.Killerweman hat geschrieben: ↑Sa 2. Jan 2021, 12:32 Ja, es wäre schon ein wenig übertrieben den Clear nur wegen des Kabels nicht zu kaufen.
So würde ich es auch machen. Der Weg ist doch das Ziel. Wer billig kauft, kauft oft 2x. Wenn das Budget erst mal nur für den KH reicht, dann würde ich den kaufen bzw. das Gerät, welches du am meisten nutzen wirst. Anschließend wieder etwas sparen und bei Bedarf das 2. Gerät kaufen.Killerweman hat geschrieben: ↑Sa 2. Jan 2021, 12:32 Es ist nur so, dass ich mit ca. 1k ein gewisses Budget habe und auch noch einen Smartspeaker kaufen möchte. ... Ich denke, ich lege den Fokus lieber auf den KH und nicht auf den Smartspeaker....nur um den Klang geht ist so ein Clear bestimmt besser als so eine Bluesound
Suchst du noch oder hörst du schon?
PC/WiiM Pro + Violectric V850+280 / WiiM Ultra + V222 》Heddphone Two / Focal Clear + Elear + Celestee
Astell&Kern SP2000T 》E3000 / Penon Serial + Turbo / Thieaudio V16 Divinity
PC/WiiM Pro + Violectric V850+280 / WiiM Ultra + V222 》Heddphone Two / Focal Clear + Elear + Celestee
Astell&Kern SP2000T 》E3000 / Penon Serial + Turbo / Thieaudio V16 Divinity
-
Killerweman
- Mitglied
- Beiträge: 65
- Registriert: Di 22. Dez 2020, 21:46
Re: Neues aus dem Hause Focal: Der Focal Clear
Ich bin mir noch nicht ganz sicher, ob ich zuerst mit dem HD58X starte oder gleich dem Clear. 930 € sind für so einen Hörer schon sehr wenig. Grundsätzlich waren für mich die 460 g vom Master1 auch kein Problem, aber mir fehlt da auch der Vergleich mit der Gewichtsklasse des HD58X, aber ich glaube jetzt auch nicht, dass die 190g so einen großen Unterschied machen.
Um nochmals zum Kabel zu kommen. Da gibt es ja solche bei Aliexpress (LN...). Sind die qualitativ gut? Die gibt es in unterschiedlichen Farben zu ähnlichen Preisen. Ist es da egal, welches man nimmt? Wenn mein KHV einen 6,5mm - Eingang hat, ist es besser gleich zu diesem Stecker zu greifen, um keinen Adapter kaufen zu müssen? Ca. 50 € muss man also drauflegen, weil sich Focal zu gut ist, einfach ein gewöhnliches, glattes 3 m - Kabel beizulegen. Das kostet bei Sennheiser 10 €, bei Focal zahlt man dafür schon den ungefähren Preis des HD58X.
Ich habe zwar noch ein 1,8 m Verlängerungskabel, aber man hängt so einen Hörer dann auch nicht so gerne an ein 6 € AmazonBasic - Kabel, vor allem deswegen nicht, weil man dann eine unnötige Unterbrechung drin hat. Ich bezweifle zwar, dass man das klanglich hört, aber mir ist da ein 3 m - Kabel lieber.
Um nochmals zum Kabel zu kommen. Da gibt es ja solche bei Aliexpress (LN...). Sind die qualitativ gut? Die gibt es in unterschiedlichen Farben zu ähnlichen Preisen. Ist es da egal, welches man nimmt? Wenn mein KHV einen 6,5mm - Eingang hat, ist es besser gleich zu diesem Stecker zu greifen, um keinen Adapter kaufen zu müssen? Ca. 50 € muss man also drauflegen, weil sich Focal zu gut ist, einfach ein gewöhnliches, glattes 3 m - Kabel beizulegen. Das kostet bei Sennheiser 10 €, bei Focal zahlt man dafür schon den ungefähren Preis des HD58X.
Ich habe zwar noch ein 1,8 m Verlängerungskabel, aber man hängt so einen Hörer dann auch nicht so gerne an ein 6 € AmazonBasic - Kabel, vor allem deswegen nicht, weil man dann eine unnötige Unterbrechung drin hat. Ich bezweifle zwar, dass man das klanglich hört, aber mir ist da ein 3 m - Kabel lieber.
- Robodoc
- Moderator

- Beiträge: 4252
- Registriert: Fr 30. Sep 2016, 17:56
- Wohnort: Dortmund
- Has thanked: 182 times
- Been thanked: 348 times
Re: Neues aus dem Hause Focal: Der Focal Clear
Ist doch ganz einfach ... nimmst du den 58X wirst du 3 Wochen zufrieden sein und dann anfangen, nach den hübschen Töchtern anderer Mütter zu schauen.
Nimmst du den Clear, hast du Ruhe. Manche wollen das nicht, die Suche nach den hübschen Töchtern ist auch durchaus ein Hobby.
Das Kabel wäre mir an deiner Stelle erst mal wurscht. Mit diesen Fragestellungen machst du dir deine Entscheidung nur noch komplizierter. Die Kabelfrage lässt sich bei allen Hörern, die mit Wechselkabel kommen, später noch klären. Da gibt's mannigfaltige Optionen in allen Preisklassen. Und es ist ja nicht so, dass die Hörer die du nennst ohne Kabel kommen.
Verlängerungen mag ich auch nicht wirklich, weil immer ein Kabelhaufen irgendwo rumliegt. Ich nutze aber trotzdem ein 6 Meter langes Verlängerungskabel gerne. Einfach, weil ich mal hier und mal dort sitzen will und mein Wohnzimmer mit der Verlängerung einfach besser nutzbar ist. Qualitative Einschränkungen kann ich nicht wahrnehmen. Ist hier aber XLR, nicht Klinke. Bei Klinke kann ich mir aber auch nicht vorstellen, dass diese - wenn technisch in Ordnung - ein Problem ist. Falls du Bedenken hast, nimm Viablue Stecker und Buchse in 6,3 Zoll. Normale Gummileitung von Sommer etc. reicht, robust damit es nicht knickt und man drauftreten kann aber innen kein Chichi mit Silber etc.
Machs selbst oder lass es von einem Bekannten brutzeln ... kostet dann nicht viel und hält ewig.
Nimmst du den Clear, hast du Ruhe. Manche wollen das nicht, die Suche nach den hübschen Töchtern ist auch durchaus ein Hobby.
Das Kabel wäre mir an deiner Stelle erst mal wurscht. Mit diesen Fragestellungen machst du dir deine Entscheidung nur noch komplizierter. Die Kabelfrage lässt sich bei allen Hörern, die mit Wechselkabel kommen, später noch klären. Da gibt's mannigfaltige Optionen in allen Preisklassen. Und es ist ja nicht so, dass die Hörer die du nennst ohne Kabel kommen.
Verlängerungen mag ich auch nicht wirklich, weil immer ein Kabelhaufen irgendwo rumliegt. Ich nutze aber trotzdem ein 6 Meter langes Verlängerungskabel gerne. Einfach, weil ich mal hier und mal dort sitzen will und mein Wohnzimmer mit der Verlängerung einfach besser nutzbar ist. Qualitative Einschränkungen kann ich nicht wahrnehmen. Ist hier aber XLR, nicht Klinke. Bei Klinke kann ich mir aber auch nicht vorstellen, dass diese - wenn technisch in Ordnung - ein Problem ist. Falls du Bedenken hast, nimm Viablue Stecker und Buchse in 6,3 Zoll. Normale Gummileitung von Sommer etc. reicht, robust damit es nicht knickt und man drauftreten kann aber innen kein Chichi mit Silber etc.
Machs selbst oder lass es von einem Bekannten brutzeln ... kostet dann nicht viel und hält ewig.
Re: Neues aus dem Hause Focal: Der Focal Clear
Dem kann ich nur beipflichten, die Suche nach dem "perfekten" Klang kann auch viel Spaß machen, leider ist manchmal die Grenze zwischen Spaß und Frust nicht weit
Aber wenn es wie hier zb um den 58X geht, kann man diesen dann ohne weiteres als Zweithörer bzw so wie ich einen HD650 als Allrounder nehmen.
Ich glaube bei den meisten wird die Suche sowieso nie wirklich aufhören, irgendwann siegt die Neugierde wieder auf neue Produkte, habe ich zumindest bei mir festgestellt